q94f/y/h electric eccentric half ball valve overview:
q94f/y/h electric eccentric half ball valve produced and sold by woci valve group is used for pulverized coal injection, control gas, containing granular fluid and powder solid medium transport equipment, used in metallurgy, beneficiation production of coal injection valve.
q94f/y/h electric eccentric half ball valve features:
1, solve the industrial production of slurry, mixed flow of liquid, dust and other media in the pipeline deposition, easy scaling, blocking, the valve is not strict and so on.
2, the switch is light, open the ball and the shell off, without any contact, starting torque, flexible rotation. close, the hemisphere and seat squeeze can remove the sealing surface of the dirt, so that the valve opening and closing smooth, high safety factor, good sealing performance.
3, the sealing surface of the eccentric structure, the spherical surface can automatically compensate for wear and tear, to maintain the valve seal, long service life.
4, the t-type valve is a wear-resistant hard-sealing ball valve, its sealing material is special, sealing surface to go through a special wear-resistant treatment. after processing the surface reached hrc65-72 degrees, so the valve wear resistance is particularly good.
5, the valve surface paint, there are two kinds of normal temperature and high temperature. temperature 600 ℃ imported paint with high temperature, spray, the use of high temperature paint, charring, coking phenomenon. do not change color.
q94f/y/h electric eccentric half ball valve main performance parameters and implementation standards
| nominal pressure mpa | 1.0 | 1.6 | 2.5 | 4.0 |
| valve strength test pressure mpa | 1.5 | 2.4 | 3.8 | 6.0 |
| valve seal test pressure mpa | 1.1 | 1.8 | 2.8 | 4.5 |
| applicable temperature ℃ | ≤ 425 ℃ ≤325 ℃ room temperature | |||
| suitable media | pulverized coal, coal ash, dust, gas | |||
| flange standard | jb / t82.1-94 | |||
| valve structure length standard | gb12221-89 | |||
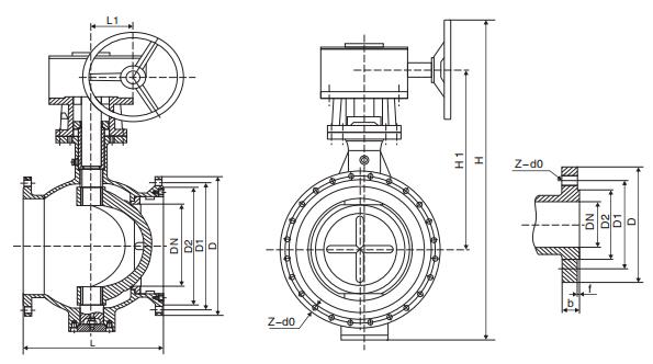
q94f/y/h electric eccentric half ball valve main shape and connection dimensions

| nominal pressure pn (mpa) | nominal diameter dn | size (mm) | ||||||||
| l | d series 1 / series 2 | d1 | d2 | d6 | b | f | z-φd | |||
| mm | in | flange | ||||||||
| 1.0 | 40 | - | 125 | 145 | 110 | 85 | - | 16 | 3 | 4-18 |
| 50 | - | 140 | 160 | 125 | 100 | - | 16 | 3 | 4-18 | |
| 65 | - | 190 | 180 | 145 | 120 | - | 18 | 3 | 4-18 | |
| 80 | - | 178 | 195 | 160 | 135 | - | 20 | 3 | 4-18 | |
| 100 | - | 200 | 215 | 180 | 155 | - | 20 | 3 | 8-18 | |
| 125 | - | 254 | 245 | 210 | 185 | - | 22 | 3 | 8-18 | |
| 150 | - | 267 | 280 | 240 | 210 | - | 24 | 3 | 8-23 | |
| 200 | - | 292 | 335 | 295 | 265 | - | 24 | 3 | 8-23 | |
| 250 | - | 330 | 390 | 350 | 320 | - | 26 | 3 | 12-23 | |
| 300 | - | 390 | 440 | 400 | 368 | - | 26 | 4 | 12-23 | |
| 350 | - | 430 | 500 | 460 | 428 | - | 28 | 4 | 16-23 | |
| 400 | - | 530 | 565 | 515 | 482 | - | 28 | 4 | 16-25 | |
| 450 | - | 580 | 615 | 565 | 532 | - | 30 | 4 | 20-25 | |
| 500 | - | 630 | 670 | 620 | 585 | - | 30 | 4 | 20-25 | |
| 600 | - | 800 | 480 | 725 | 685 | - | 34 | 5 | 20-30 | |
| 700 | - | 900 | 895 | 840 | 800 | - | 38 | 5 | 24-30 | |
| 800 | - | 1000 | 1010 | 950 | 905 | - | 42 | 5 | 24-34 | |