q644f pneumatic three-way ball valve summary
q644f pneumatic three-way ball valve produced and sold by woci valve group can be divided into l-shaped pneumatic three-way ball valve and t-shaped pneumatic three-way ball valve, l-shaped (q44f) three-way ball valve for medium flow switching, channel connection; t-shaped (q45f) three-way ball valve for medium diversion, confluence and flow switching. t-tee can make the three channels connected to each other or the two of the channels. three-way ball valve generally use two seat structure, can also be used according to user requirements four seat structure.
q644f pneumatic three-way ball valve performance parameters
| test pressure | nominal pressure (mpa) | ||||
| mpa | 1.6 | 2.5 | 4.0 | cl150 | jis10k |
| strength test | 2.4 | 3.8 | 6.0 | 3.2 | 2.4 |
| seal test | 1.8 | 2.8 | 4.4 | 2.2 | 1.5 |
| airtight test | 0.5-0.7 | ||||
| operating temperature | ptfe≤150 ℃ ptl≤300 ℃ | ||||
| suitable media | c: water, oil and gas; p: nitric acid; r: acetic acid | ||||
q644f pneumatic three-way ball valve parts of the main material
| body, bonnet | wcb, cf8 |
| sphere | wcb hcr, cf8 |
| valve stem | 2cr13, cf8 |
| seat | ptfe |
| filler | ptfe |
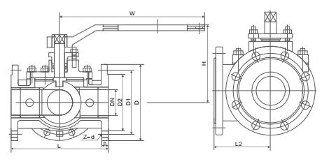
q644f pneumatic three-way ball valve main dimensions

| pn | nominal diameter | l | l1 | h | w | weight (kg) | |||||
| mpa | mm | in | mm | mm | mm | mm | 1.6 | 2.5 | 4.0 | cl150 | jis10k |
1.6 | 15 | 1/2 | 130 | 65 | 62 | 100 | 2.5 | 3.0 | 3.5 | 2.5 | 2.5 |
| 20 | 3/4 | 150 | 75 | 68 | 160 | 3.0 | 3.5 | 4.5 | 3.0 | 3.6 | |
| 25 | 1 | 160 | 80 | 75 | 160 | 4.8 | 5.0 | 6 | 5.0 | 5.0 | |
| 32 | 1 1/4 | 180 | 90 | 85 | 200 | 6.5 | 7 | 8.5 | 7 | 7 | |
| 40 | 1 1/2 | 200 | 100 | 95 | 200 | 8.5 | 9 | 10.5 | 9 | 9 | |
| 50 | 2 | 230 | 115 | 110 | 250 | 11 | 12 | 14 | 12 | 11 | |
| 65 | 2 1/2 | 290 | 145 | 130 | 300 | 15 | 17 | 20 | 16 | 16 | |
| 80 | 3 | 310 | 155 | 155 | 400 | 21 | 22 | 32 | 21 | 22 | |
| 100 | 4 | 350 | 175 | 180 | 500 | 33 | 36 | 50 | 36 | 36 | |
| 125 | 5 | 400 | 200 | 250 | 600 | 65 | 70 | 80 | 68 | 70 | |
| 150 | 6 | 480 | 240 | 275 | 800 | 103 | 110 | 120 | 105 | 105 | |
| 200 | 8 | 580 | 290 | 325 | 1000 | 152 | 168 | 180 | 160 | 160 | |