d943h electric metal hard seal butterfly valve technical parameter
50~2000 | ||||
nominal pressurepn(mpa) | 0.6 | 1.0 | 1.6 | 2.5 |
sealing test(mpa) | 0.66 | 1.1 | 1.76 | 2.75 |
strength test(mpa) | 0.9 | 1.5 | 2.4 | 3.75 |
suitable temperature | carbon steel: -29℃~425℃ stainless steel: -40℃~650℃ | |||
applicable medium | water, air, natural gas, oil and weakly corrosive fluids | |||
leakage rate | gb/ t13927-92 standard | |||
driving mode | worm drive, electric, pneumatic, hydraulic | |||
d943h electric metal hard seal butterfly valve material of main parts
part name | material |
the body | wcb,alloy steel,stainless steel,qt450-10 |
butterfly plate | wcb、alloy steel,stainless steel,qt450-10 |
valve shaft | 2cr13stainless steel,alloy steel |
sealing ring | stainless steel coil |
packing | flexible graphite |
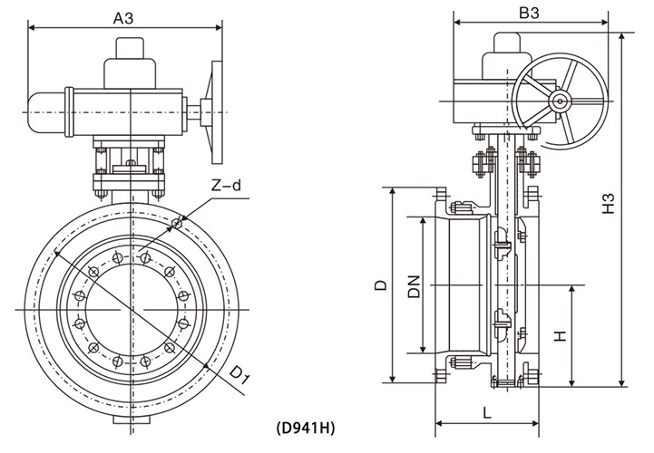
d943h electric metal hard seal butterfly valve main dimensions

nominal diameter(dn) | main dimensions | flange size and bolt specification | ||||||||||
1.0mpa | 1.6mpa | 2.5mpa | ||||||||||
l | h1 | h | d | d1 | n-фd | d | d1 | n-фd | d | d1 | n-фd | |
50 | 108 | 530 | 112 | 165 | 125 | 4-18 | 165 | 125 | 4-18 | 165 | 125 | 4-18 |
65 | 112 | 530 | 115 | 185 | 145 | 4-18 | 185 | 145 | 4-18 | 185 | 145 | 8-18 |
80 | 114 | 565 | 120 | 200 | 160 | 4-18 | 200 | 160 | 8-18 | 200 | 160 | 8-18 |
100 | 127 | 600 | 138 | 220 | 180 | 8-18 | 220 | 180 | 8-18 | 235 | 190 | 8-22 |
125 | 140 | 640 | 164 | 250 | 210 | 8-18 | 250 | 210 | 8-18 | 270 | 220 | 8-26 |
150 | 140 | 705 | 175 | 285 | 240 | 8-22 | 285 | 240 | 8-22 | 300 | 250 | 8-26 |
200 | 152 | 775 | 200 | 340 | 295 | 8-22 | 340 | 295 | 12-22 | 360 | 310 | 12-26 |
250 | 165 | 945 | 243 | 395 | 350 | 12-22 | 405 | 355 | 12-26 | 425 | 370 | 12-30 |
300 | 178 | 1070 | 250 | 445 | 400 | 12-22 | 460 | 410 | 12-26 | 485 | 430 | 16-30 |
350 | 190 | 1140 | 280 | 505 | 460 | 16-22 | 520 | 470 | 12-26 | 555 | 490 | 16-33 |
400 | 216 | 1210 | 305 | 565 | 515 | 16-26 | 580 | 525 | 16-26 | 620 | 550 | 16-36 |
450 | 222 | 1335 | 350 | 615 | 565 | 20-26 | 640 | 585 | 16-30 | 670 | 600 | 20-36 |
500 | 229 | 1415 | 380 | 670 | 620 | 20-26 | 715 | 650 | 20-30 | 730 | 660 | 20-36 |
600 | 267 | 1605 | 445 | 780 | 725 | 20-30 | 840 | 770 | 20-33 | 845 | 770 | 20-39 |
700 | 292 | 1844 | 480 | 895 | 840 | 24-30 | 910 | 840 | 24-36 | 960 | 875 | 24-42 |
800 | 318 | 2040 | 530 | 1015 | 950 | 24-33 | 1025 | 950 | 24-39 | 1085 | 990 | 24-48 |
900 | 330 | 2255 | 580 | 1115 | 1050 | 28-33 | 1125 | 1050 | 28-39 | 1185 | 1090 | 28-48 |
1000 | 410 | 2380 | 650 | 1230 | 1160 | 28-36 | 1255 | 1170 | 28-42 | 1320 | 1210 | 28-56 |
1200 | 470 | 2640 | 760 | 1455 | 1380 | 32-39 | 1485 | 1390 | 32-48 | 1530 | 1420 | 32-56 |
1400 | 530 | 2886 | 850 | 1675 | 1590 | 36-42 | 1685 | 1590 | 36-48 | 1755 | 1640 | 36-62 |
1600 | 600 | 3156 | 1030 | 1915 | 1820 | 40-48 | 1930 | 1820 | 40-56 | 1975 | 1860 | 40-62 |
1800 | 670 | 3421 | 1230 | 2115 | 2020 | 44-48 | 2130 | 2020 | 44-56 | 2195 | 2070 | 44-70 |
2000 | 760 | 3685 | 1350 | 2325 | 2230 | 48-48 | 2345 | 2230 | 48-62 | 2425 | 2300 | 48-70 |