bpq340tc ceramic eccentric half ball valve product description:
bpq340tc ceramic eccentric half ball valve produced and sold by woci valve group using eccentric valve body, eccentric ball, valve seat, stem for the rotation movement in the common trajectory automatic centering, the process of closing the more off the more tight, fully achieve the purpose of a good seal. valve ball and seat completely separated, eliminating the wear ring, to overcome the traditional ball valve seat and the ball sealing surface is always worn problem, non-metallic elastic material is embedded in the metal seat, the valve seat metal surface is well protected. especially for the steel industry, washing ore, power plants, ash and other industries, mineral slurry, ash slurry and other media.
valve seat and hemisphere sealing surface are used engineering ceramics, high hardness, erosion resistance, long life. it is suitable for the solid-liquid mixing medium containing powder particles for opening and closing; the hemisphere is a fixed ball type with good rigidity. the shape of the v-shaped hemisphere, small size, light weight; seat sealing surface and the hemisphere sealing surface spacing is adjustable, so the valve after use for a certain period of time, sealing surface spacing can be further adjusted to extend valve life; valve in full when the valve body passage is completely smooth, medium flow resistance is small.
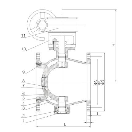
bpq340tc ceramic eccentric half ball valve main parts and materials:
serial number | name | material | serial number | name | material |
1 | cap | wcb | 7 | pressure ring | wcb |
2 | gasket | fluororubber | 8 | bolt | 20 # |
3 | body | wcb | 9 | gasket | fluororubber |
4 | hemisphere | wcb | 10 | bracket | wcb |
5 | seat | structural ceramics | 11 | drive | finished pieces |
6 | sealing ring | structural ceramics | 12 |

bpq340tc ceramic eccentric half ball valve application specification
design and manufacture | gb / t 12224 | |
connector size | structure length | gb12221 |
flange size | gb / t9113 | |
inspection and testing | gb / t 9092 | |
material | carbon steel | gb / t 12229 |
stainless steel | g b / t 12230 | |
sign | g b / t 12220 | |
availability | g b / t 12252 | |
bpq340tc ceramic eccentric half ball valve main shape and connection dimensions:
pn (mpa) | dn (mm) | h | l | d | d1 | d2 | nd | c | f |
1.6 | 50 | 230 | 124 | 165 | 125 | 100 | 4-φ18 | 16 | 3 |
65 | 237 | 145 | 185 | 145 | 120 | 4-φ18 | 18 | 3 | |
80 | 260 | 165 | 200 | 160 | 135 | 8-φ18 | 20 | 3 | |
100 | 270 | 194 | 220 | 180 | 156 | 8-φ18 | 20 | 3 | |
125 | 320 | 210 | 250 | 210 | 185 | 8-φ22 | 22 | 3 | |
150 | 340 | 229 | 285 | 240 | 211 | 8-φ22 | 26 | 3 | |
200 | 390 | 243 | 340 | 295 | 265 | 8-φ23 | 26 | 3 | |
250 | 420 | 297 | 405 | 355 | 319 | 8-φ26 | 30 | 3 | |
300 | 510 | 338 | 460 | 410 | 375 | 8-φ26 | 30 | 4 |