j41y gb forged steel flange globe valve product overview:
j41y gb forged steel flange globe valve produced and sold by woci valve group integral flange valve there are three kinds of bonnet design, the first is the bolt-type bonnet, connected by concave and convex surface, with stainless steel band and flexible graphite spiral wound gasket, can also be used on demand ring connection, the second is a welded bonnet, welded by thread sealing, can also be used directly on demand rigid welding, the third is self-sealing bonnet, threaded and self-sealing bonnet connection. products are widely used in petroleum, chemical, pharmaceutical, power industry and other conditions of the pipeline.
j41y gb forged steel flange globe valve features and benefits: ● the product is designed and manufactured strictly according to api602, bs 5352 standards. the valve disc is positioned along the center for lifting movement (the bushing is made of special material with good abrasion resistance and small friction coefficient) flexible and reliable, excellent sealing performance. products are widely used in petroleum, chemical, pharmaceutical, power industry and other conditions of the pipeline. ● handwheel forged with malleable iron, with the shape of the hand grip, an appropriate increase in friction, easy to open. and showed obvious "open" and "off" mark. larger caliber, higher pressure optional impact handwheel. ● stem nut with high nickel ductile iron, "t" thread and stem with the transfer torque. valve cover gland packing and pressure split design, to ensure the concentricity of the stem. reasonable stuffing box to ensure that no leakage valve. meet the environmental requirements. ● bonnet with seal seat. meets api requirements of the american petroleum institute and british bs standards.
j41y gb forged steel flange globe valve design and manufacturing standards: ● design and manufacture: jb / t1751, gb / t12235 ● structure length: gb / t12235 ● flange size: jb / t79, gb / t9113 ● thread connection size: gb / t7306 ● welding connection size: gb / t12224 ● pressure temperature: gb / t9131 ● inspection and testing: jb / t9092, gb / t13927
j41y gb forged steel flange globe valve material list:
serial number | part name | carbon steel series | alloy steel series | stainless steel series | |
astm / asme | |||||
1 | body / body | a105 | a182f22 | a182f304 (l) | a182f316 (l) |
2 | disc / disc | a182 / f430 & 410 | a182 / f304 | a182f / 304 (l) | a182 / f316 (l) |
3 | stem | a182 / f6a | a182 / f304 | a182 / f304 (l) | a182 / f316 (l) |
4 | gasket / gasket | 304+ folder flexible graphite | 304+ folder flexible graphite | 316+ folder flexible graphite / ptfe | 316+ folder flexible graphite / ptfe |
5 | bonnet / bonnet | a105 | a182 / f304 | a182 / f304 (l) | a182 / f316 (l) |
6 | stud / stud | a193 / b7 | a193 / b16 | a193 / b8 | a193 / b8m |
7 | pin / pin | a276 / 420 | a276 / 304 | ||
8 | packing bushing | a276 / 410 | a182 / f304 (l) | a182 / f316 (l) | |
9 | packing platen / gland | a105 | a182 / f11 | a182 / f304 (l) | a182 / f316 (l) |
10 | bolt / eyebolt | a193 / b7 | a193 / b16 | a193 / b8 | a193 / b8m |
11 | nut / eyebolt nut | a194 / 2h | a194 / 4 | a194 / 8 | a194 / 8m |
12 | stem nut / stem nut | a276 / 410 | |||
13 | hand wheel nut / handwheel nut | a194 / 2h | a194 / 4 | a194 / 8 | a194 / 8m |
14 | nameplate / nameplate | ss 304 | 17 | nameplate / nameplate | ss 304 |
15 | handwheel | a197 | |||
16 | packing / packing | flexible graphite | |||
17 | nameplate / nameplate | ss 304 | |||
suitable media | water, steam, oil and so on | water, steam, oil and so on | nitric acid, acetic acid and so on | ||
proper temperature | -29 ° c to 425 ° c | -29 ° c to 550 ° c | -29 ℃ ~ 200 ℃ | ||
note: other materials required by customers can also be used.
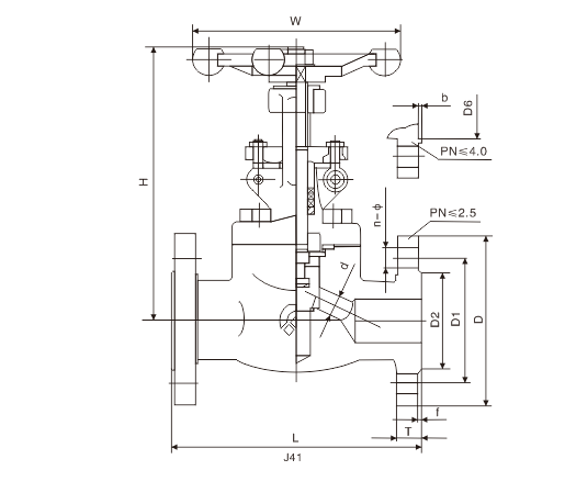
j41y gb forged steel flange globe valve size (mm) and weight (kg) :

| pn (mpa) | dn (mm) | 15 | 20 | 25 | 32 | 40 | 50 | 65 |
| 1.6 | d | 10 | 13 | 19.1 | 24 | 31.8 | 38.1 | 48.5 |
| 2.5 | ||||||||
| 4.0 | ||||||||
| 6.4 | ||||||||
| 10.0 | ||||||||
| 1.6 | l | 130 | 150 | 160 | 190 | 200 | 230 | 290 |
| 2.5 | ||||||||
| 4.0 | ||||||||
| 6.4 | 170 | 190 | 210 | 230 | 260 | 300 | 340 | |
| 10.0 | ||||||||
| 1.6 | h (on) | 158 | 163 | 193 | 250 | 250 | 291 | 350 |
| 2.5 | ||||||||
| 4.0 | ||||||||
| 6.4 | ||||||||
| 10.0 | ||||||||
| 1.6 | w | 100 | 100 | 125 | 160 | 160 | 180 | 240 |
| 2.5 | ||||||||
| 4.0 | ||||||||
| 6.4 | ||||||||
| 10.0 | ||||||||
| 1.6 | wt (kg) | 3.8 | 4.5 | 5.6 | 6.3 | 9.1 | 13.7 | 24.5 |
| 2.5 | 4.0 | 4.7 | 5.8 | 6.5 | 10.7 | 15.3 | 26.2 | |
| 4.0 | 4.3 | 5.0 | 6.3 | 7.0 | 12.3 | 18.8 | 27.7 | |
| 6.4 | 4.8 | 5.6 | 8.0 | 9.4 | 13.7 | 23.7 | 32.0 | |
| 10.0 | 5.4 | 6.6 | 9.8 | 10.5 | 18.6 | 27.6 | 35.0 |