z41h gb gate valve introduction
z41h gb gate valve produced and sold by woci valve group is one of the most common opening and closing valve, the use of the gate up and down work to connect (fully open) and cut off (fully closed) in the pipeline fluid medium. 1, the fluid resistance is small, the sealing surface by the media erosion and erosion of small (gate opening height high). 2, open a more powerful, good sealing performance, the flow of media is not restricted, not spoiler, not down pressure. 3, the shape is simple, manufacturing technology is good, a wide range of applications.
z41h gb gate valve pressure test
| nominal pressure | 1.6 | 2.5 | 4.0 | 6.4 | 10.0 | 16.0 |
| strength test | 2.4 | 3.8 | 6.0 | 9.6 | 15.0 | 24.0 |
| water seal test | 1.8 | 2.8 | 4.4 | 7.0 | 11.0 | 18.0 |
| seal test | 1.8 | 2.8 | 4.4 | 7.04 | 11.0 | 18.0 |
| gas seal test | 0.4-0.7 | |||||
z41h gb gate valve material and performance
| body cover | valve stem | sealing surface | gasket | filler | operating temperature ℃ | suitable media |
| wcb | 2cr13 | 13crstl body material nylon | reinforced flexible graphite 1cr13 /flexible graphite 08 mild steel 0cr18ni9ti0cr17ni12 mo2tixd550f (t) ptfe | flexible graphite reinforced flexible graphite sfb /260sfp /260ptfe | ≤425 | water, steam, oil |
| wc1 | 38crmoa125cr2mov | ≤450 | ||||
| wc6 | ≤540 | |||||
| wc9 | ≤570 | |||||
| zgcr5mo | ≤540 | |||||
| zg1cr18ni9ti | 1cr18ni9ti | ≤200 | sales acid | |||
| zg1cr18ni12mo2ti | 1c18ni12mo2ti | ≤200 | acetic acid |
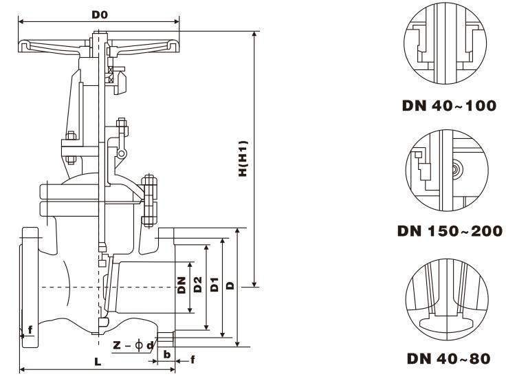
z41h gb gate valve main dimensions

pn1.6mpa specifications of the main dimensions
| 1.6mpa | dn | l | d | d1 | d2 | b | n-φd | h | d0 |
| planar method rf z40h z40y z40w z40f z40nz41h z41y z41f z41n16c 16p 16r 16i | 15 | 130 | 95 | 65 | 45 | 14 | 4-φ14 | 170 | 120 |
| 20 | 150 | 105 | 75 | 55 | 14 | 4-φ14 | 190 | 140 | |
| 25 | 160 | 115 | 85 | 65 | 14 | 4-φ14 | 205 | 160 | |
| 32 | 180 | 135 | 100 | 78 | 16 | 4-φ18 | 270 | 180 | |
| 40 | 200 | 145 | 110 | 85 | 16 | 4-φ18 | 310 | 200 | |
| 50 | 250 | 160 | 125 | 100 | 16 | 4-φ18 | 358 | 240 | |
| 65 | 265 | 180 | 145 | 120 | 18 | 4-φ18 | 373 | 240 | |
| 80 | 280 | 195 | 160 | 135 | 20 | 8-φ18 | 435 | 280 | |
| 100 | 300 | 25 | 180 | 155 | 20 | 8-φ18 | 500 | 300 | |
| 125 | 325 | 245 | 210 | 185 | 22 | 8-φ18 | 614 | 320 | |
| 150 | 350 | 280 | 240 | 210 | 24 | 8-φ23 | 674 | 320 | |
| 200 | 400 | 335 | 295 | 265 | 26 | 12-φ23 | 818 | 400 | |
| 250 | 450 | 405 | 355 | 320 | 30 | 12-φ25 | 969 | 450 | |
| 300 | 500 | 460 | 410 | 375 | 30 | 12-φ25 | 1145 | 500 | |
| 350 | 550 | 520 | 470 | 435 | 34 | 16-φ25 | 1280 | 500 | |
| 400 | 600 | 580 | 525 | 485 | 36 | 16-φ30 | 14852 | 560 | |
| 450 | 650 | 640 | 585 | 545 | 40 | 20-φ30 | 1541 | 600 | |
| 500 | 700 | 705 | 650 | 608 | 44 | 20-φ34 | 1676 | 640 | |
| 600 | 800 | 840 | 770 | 718 | 48 | 20-φ41 | 1874 | 720 | |
| 700 | 900 | 910 | 840 | 788 | 50 | 24-φ41 | 2083 | 800 | |
| 800 | 1000 | 1020 | 950 | 898 | 52 | 24-φ41 | 2400 | 950 | |
| 900 | 1100 | 1120 | 1050 | 998 | 64 | 28-φ41 | 2950 | 1000 | |
| 1000 | 1200 | 1255 | 1170 | 1110 | 56 | 28-φ48 | 3245 | 1000 |
pn2.5mpa specifications of the main dimensions
| 2.5mpa | dn | l | d | d1 | d2 | b | n-φd | h | do |
| planar method rf z40h z40y z40w z40f z40nz41h z41y z41f z41n25c 25p 25r 25i | 15 | 130 | 95 | 65 | 45 | 16 | 4-φ14 | 172 | 120 |
| 20 | 150 | 105 | 75 | 55 | 16 | 4-φ14 | 191 | 140 | |
| 25 | 160 | 115 | 85 | 65 | 16 | 4-φ14 | 205 | 160 | |
| 32 | 180 | 135 | 100 | 78 | 18 | 4-φ18 | 270 | 180 | |
| 40 | 200 | 145 | 110 | 85 | 18 | 4-φ18 | 300 | 200 | |
| 50 | 250 | 160 | 125 | 100 | 20 | 4-φ18 | 357 | 240 | |
| 65 | 265 | 180 | 145 | 120 | 22 | 8-φ18 | 376 | 240 | |
| 80 | 280 | 195 | 160 | 135 | 22 | 8-φ18 | 434 | 280 | |
| 100 | 300 | 230 | 190 | 160 | 24 | 8-φ23 | 502 | 300 | |
| 125 | 325 | 270 | 220 | 188 | 28 | 8-φ25 | 613 | 320 | |
| 150 | 350 | 300 | 250 | 218 | 30 | 8-φ25 | 675 | 320 | |
| 200 | 400 | 360 | 310 | 278 | 34 | 12-φ25 | 819 | 400 | |
| 250 | 450 | 425 | 370 | 332 | 36 | 12-φ30 | 968 | 450 | |
| 300 | 500 | 485 | 430 | 390 | 40 | 16-φ30 | 1144 | 500 | |
| 350 | 550 | 550 | 490 | 448 | 44 | 16-φ34 | 1280 | 500 | |
| 400 | 600 | 610 | 550 | 505 | 48 | 16-φ34 | 1451 | 560 | |
| 450 | 650 | 660 | 600 | 555 | 50 | 20-φ34 | 1542 | 600 | |
| 500 | 700 | 730 | 660 | 510 | 52 | 20-φ41 | 1678 | 640 | |
| 600 | 800 | 840 | 770 | 718 | 56 | 20-φ41 | 1875 | 720 | |
| 700 | 900 | 955 | 875 | 815 | 60 | 24-φ28 | 2082 | 800 | |
| 800 | 1000 | 1070 | 990 | 930 | 64 | 24-φ28 | 2403 | 950 | |
| 900 | 1100 | 1180 | 1090 | 1025 | 66 | 28-φ54 | 2952 | 1000 | |
| 1000 | 1200 | 1305 | 1210 | 1140 | 68 | 28-φ58 | 3244 | 1000 |
pn4.0mpa ~ 6.4 mpa specifications the main dimensions
| 4.0mpa | dn | l | d | d1 | d2 | d6 | b | n-φd | h | d0 |
| concave method mfm z40h z40y z40w z40f z40nz41h z41y z41f z41n40 40p 40r 40i | 15 | 130 | 95 | 65 | 45 | 40 | 16 | 4-φ14 | 134 | 120 |
| 20 | 150 | 105 | 75 | 55 | 51 | 16 | 4-φ14 | 188 | 140 | |
| 25 | 160 | 115 | 85 | 64 | 58 | 16 | 4-φ14 | 206 | 140 | |
| 32 | 180 | 135 | 100 | 78 | 66 | 18 | 4-φ18 | 272 | 180 | |
| 40 | 200 | 145 | 110 | 85 | 76 | 18 | 4-φ18 | 322 | 180 | |
| 50 | 250 | 160 | 125 | 100 | 88 | 20 | 4-φ18 | 370 | 240 | |
| 65 | 280 | 180 | 145 | 120 | 110 | 22 | 8-φ18 | 394 | 280 | |
| 80 | 310 | 195 | 160 | 135 | 121 | 22 | 8-φ18 | 455 | 300 | |
| 100 | 350 | 230 | 190 | 160 | 150 | 24 | 8-φ23 | 550 | 320 | |
| 125 | 400 | 270 | 220 | 188 | 176 | 28 | 8-φ25 | 636 | 35 | |
| 150 | 450 | 300 | 250 | 218 | 204 | 30 | 8-φ30 | 706 | 400 | |
| 200 | 550 | 375 | 320 | 282 | 260 | 38 | 12-φ34 | 859 | 450 | |
| 250 | 650 | 445 | 385 | 345 | 313 | 42 | 12-φ34 | 1016 | 560 | |
| 300 | 750 | 510 | 450 | 408 | 364 | 46 | 16-φ34 | 1200 | 640 | |
| 350 | 850 | 570 | 510 | 465 | 422 | 52 | 16-φ41 | 1340 | 640 | |
| 400 | 950 | 655 | 585 | 535 | 474 | 58 | 16-φ41 | 1495 | 720 | |
| 450 | 1050 | 680 | 610 | 560 | 524 | 60 | 20-φ48 | 1581 | 800 | |
| 500 | 1150 | 755 | 670 | 612 | 576 | 62 | 20-φ54 | 1790 | 950 | |
| 600 | 1350 | 890 | 695 | 730 | 678 | 62 | 20-φ14 | 2035 | 950 | |
| 6.4mpa | 15 | 1700 | 105 | 75 | 55 | 40 | 18 | 4-φ18 | 1425 | 160 |
| concave method mfm z40h z40y z40w z40f z40nz41h z41y z41f z41n64 64p 64r 64i | 20 | 190 | 125 | 90 | 68 | 51 | 20 | 4-φ18 | 142 | 160 |
| 25 | 210 | 135 | 100 | 78 | 58 | 22 | 4-φ23 | 214 | 200 | |
| 32 | 230 | 150 | 110 | 82 | 66 | 24 | 4-φ23 | 269 | 200 | |
| 40 | 240 | 165 | 125 | 95 | 76 | 24 | 4-φ23 | 343 | 240 | |
| 50 | 250 | 175 | 135 | 105 | 88 | 26 | 4-φ23 | 370 | 240 | |
| 65 | 280 | 200 | 160 | 130 | 110 | 28 | 8-φ23 | 396 | 280 | |
| 80 | 310 | 210 | 170 | 140 | 121 | 30 | 8-φ23 | 458 | 300 | |
| 100 | 350 | 250 | 200 | 168 | 150 | 32 | 8-φ25 | 553 | 300 | |
| 125 | 400 | 295 | 240 | 202 | 176 | 36 | 8-φ30 | 638 | 350 | |
| 150 | 450 | 340 | 280 | 240 | 204 | 38 | 8-φ34 | 718 | 400 | |
| 200 | 550 | 405 | 345 | 300 | 260 | 44 | 12-φ34 | 873 | 450 | |
| 250 | 650 | 470 | 400 | 352 | 313 | 48 | 12-φ41 | 1050 | 560 | |
| 300 | 750 | 530 | 460 | 412 | 364 | 54 | 16-φ41 | 1203 | 640 | |
| 350 | 850 | 595 | 525 | 475 | 422 | 60 | 16-φ41 | 1394 | 720 | |
| 400 | 950 | 670 | 585 | 525 | 474 | 66 | 16-φ48 | 1645 | 800 | |
| 500 | 1150 | 800 | 705 | 640 | 576 | 70 | 20-φ54 | 2285 | 950 | |
| 600 | 1350 | 930 | 820 | 750 | 678 | 70 | 20-φ58 | 2610 | 950 |
pn10.0mpa ~ 16.0mpa (specification main dimensions)
| 10.0mpa | dn | l | d | d1 | d6 | b | b-φd | h | d0 |
| concave method mfm z40h z40y z40wz41h z41y z41w100 100p 100r 100i | 15 | 170 | 105 | 75 | 40 | 20 | 4-φ14 | 175 | 160 |
| 20 | 190 | 125 | 90 | 51 | 22 | 4-φ18 | 180 | 160 | |
| 25 | 210 | 135 | 100 | 58 | 24 | 4-φ18 | 310 | 180 | |
| 32 | 230 | 150 | 110 | 66 | 24 | 4-φ23 | 320 | 200 | |
| 40 | 240 | 165 | 125 | 76 | 26 | 4-φ23 | 360 | 200 | |
| 50 | 250 | 195 | 145 | 88 | 28 | 4-φ25 | 490 | 240 | |
| 65 | 280 | 220 | 170 | 110 | 32 | 8-φ25 | 540 | 240 | |
| 80 | 310 | 230 | 180 | 121 | 34 | 8-φ25 | 573 | 280 | |
| 100 | 350 | 265 | 210 | 150 | 38 | 8-φ30 | 575 | 320 | |
| 125 | 400 | 310 | 250 | 176 | 42 | 8-φ34 | 744 | 360 | |
| 150 | 450 | 350 | 290 | 204 | 46 | 12-φ34 | 800 | 400 | |
| 200 | 500 | 430 | 360 | 260 | 54 | 12-φ41 | 800 | 500 | |
| 250 | 650 | 500 | 430 | 313 | 60 | 12-φ41 | 1050 | 640 | |
| 300 | 750 | 585 | 500 | 364 | 70 | 16-φ48 | 1208 | 720 | |
| 350 | 850 | 655 | 560 | 422 | 76 | 16-φ54 | 1410 | 720 | |
| 400 | 950 | 715 | 620 | 474 | 80 | 16-φ54 | 1655 | 800 | |
| 16.0mpa | 15 | 170 | 110 | 75 | 40 | 24 | 4-φ18 | 230 | 160 |
| concave method mfm z40h z40y z40wz41h z41y z41w160 160p 160r 160i | 20 | 190 | 130 | 90 | 51 | 26 | 4-φ23 | 260 | 180 |
| 25 | 210 | 140 | 100 | 58 | 28 | 4-φ23 | 280 | 200 | |
| 32 | 2310 | 165 | 115 | 66 | 30 | 4-φ25 | 312 | 200 | |
| 40 | 240 | 175 | 125 | 76 | 32 | 4-φ27 | 350 | 240 | |
| 50 | 300 | 210 | 165 | 88 | 36 | 8-φ25 | 412 | 280 | |
| 65 | 340 | 245 | 190 | 110 | 44 | 8-φ30 | 560 | 320 | |
| 80 | 390 | 260 | 205 | 121 | 46 | 8-φ30 | 585 | 3.50 | |
| 100 | 450 | 300 | 240 | 150 | 48 | 8-φ34 | 630 | 400 | |
| 125 | 525 | 355 | 285 | 176 | 60 | 8-φ41 | 723 | 500 | |
| 150 | 600 | 390 | 318 | 204 | 66 | 12-φ41 | 820 | 560 | |
| 200 | 750 | 480 | 400 | 260 | 78 | 12-φ8 | 990 | 720 | |
| 250 | 850 | 580 | 485 | 313 | 88 | 12-φ54 | 1104 | 800 | |
| 300 | 950 | 665 | 570 | 364 | 100 | 16-φ54 | 1314 | 800 |