tyfz pressure regulating valve group main part material
| part name | body | valve plate | valve stem | connection barrel | size flange | gasket |
| material | carbon steel | carbon steel | alloy steel | carbon steel | carbon steel | asbestos rubber |
tyfz pressure regulating valve group technical performance
| valve set model | medium temperature ℃ | medium pressure mpa | media flow m3 / h | valve corner | remarks |
| tyfz-10 | ≤350 | -0.05 | -30000 | 0-90 ° | - |
| tyfz-30 | " | -0.07 | 48000-58000 | 0-90 ° | - |
| tyfz-38 | " | -0.07 | 68000-85000 | 0-90 ° | - |
| tyfz-65 | " | -0.1 | 111000-130000 | 0-90 ° | - |
| tyfz-75 | " | -0.15 | 137000-157000 | 0-90 ° | - |
| tyfz-90 | " | -0.2 | 170000 | 0-90 ° | - |
| tyfz-100 | " | -0.2 | 187000 | 0-90 ° | - |
| tyfz-125 | " | -0.25 | 205000 | 0-90 ° | - |
| tyfz-135 | " | -0.25 | 250500 | 0-90 ° | - |
tyfz pressure regulating valve group performance parameters of electric device
| dn | electric actuator | power voltage, input signal current | one-way (90 °) opening and closing time | |
| model | output torque | |||
| 250 | dkj-210 or dkj-210q | 100n.m | ddz-ii type 0-10ma ddz iii type 4-20ma 220v.ac | 25 |
| 300 | 25 | |||
| 350 | dkj-310 or dkj-310q | 250n.m | ||
| 400 | 25 | |||
| 450 | ||||
| 600 | dkj-410 or dkj-410q | 600n.m | 25 | |
| 700 | ||||
| 800 | dkj-510 or dkj-510q | 1600n.m | ||
| 900 | 25 | |||
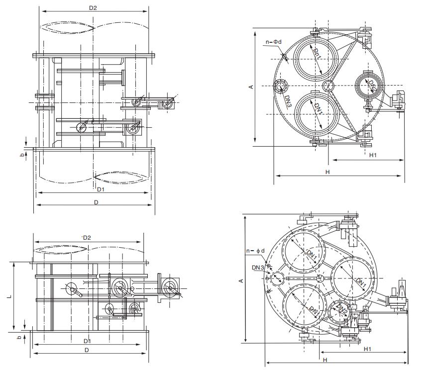
tyfz pressure regulating valve group main shape and size of the connection table

| model | d | d1 | l | b | n-φd | a | a1 | η | h1 | valve preparation | allowable traffic (m3 / h) | weight (kg) | corresponding to the pipeline |
| tyfz-25 | 1990 | 1930 | 1000 | 30 | 44-φ30 | 3600 | 1800 | 2150 | 1150 | 600x2 + 300x1 + 150 | 55000-65000 | 2800 | 1200 |
| tyfz-30 | 1990 | 1930 | 1000 | 30 | 44-φ30 | 3600 | 1800 | 2150 | 1150 | 700x2 + 300x1-150 | 65000-77000 | 3200 | 1300 |
| tyfz-40 | 1990 | 1930 | 1000 | 30 | 44-φ30 | 3600 | 1800 | 2250 | 1250 | 700 χ 1 + 800 χ 1 + 350 χ + 150 | 77000-91000 | 3400 | 1400 |
| tyfz-50 | 2190 | 2130 | 1200 | 30 | 48-φ30 | 3800 | 1900 | 2600 | 1500 | 800x2 + 400x1 + 200 | 91000-105000 | 3700 | 1500 |
| tyfz-60 | 2305 | 2240 | 1200 | 30 | 48-φ30 | 4000 | 2000 | 2800 | 1600 | 800 χ 1 + 900 χ 1 + 400 χ 1 +200 | 105000-120000 | 4900 | 1600 |
| tyfz-65 | 2190 | 2130 | 1200 | 30 | 48-φ30 | 4000 | 2000 | 2800 | 1600 | 700x3 + 350x1 + 200 | 111000-130000 | 5000 | 1700 |
| tyfz-75 | 2305 | 2240 | 1200 | 30 | 48-φ33 | 4000 | 2000 | 2800 | 1600 | 900x2 + 500x1 + 200 | 120000-150000 | 5300 | 1800 |
| tyfz-90 | 2405 | 2340 | 1200 | 30 | 52-φ 33 | 4000 | 2000 | 2550 | 1350 | 800x3 + 400x1 + 250 | 137000-170000 | 6700 | 1900 |
| tyfz-100 | 2605 | 2540 | 1200 | 30 | 56-φ33 | 4200 | 2100 | 3000 | 1700 | 1000x2 + 500x1 + 200 | 150000-190000 | 7000 | 2000 |