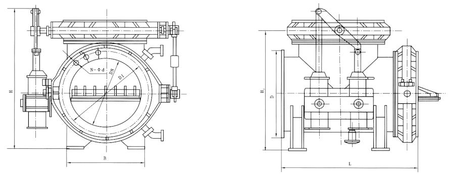
sqd643x pneumatic three-way switch valve structural features and uses
sqd643x pneumatic three-way switch valve produced and sold by woci valve group is a kind of ideal equipment for gas switching. it is developed by our factory which absorbs the advanced technology of similar products at home and abroad. the valve has the advantages of simple structure, convenient operation, reliable sealing, accurate switching and long service life. it is widely used in metallurgy , petrochemical, environmental protection and other industries on-site operation or long-distance control. it is especially suitable for the recovery and dissipation of controlled gas in the converter gas recovery unit of steel plant. the valve is mainly composed of three bodies and two sealed butterfly valve and two gas (oil) cylinder, connecting rod, control box.
sqd643x pneumatic three-way switch valve main performance

| nominal pressure | 0.1mpa | proper temperature | sqd6 / 7 43x | butterfly valve rubber seal ≤ 80 ° c ≤ 120 ° c |
| seal test pressure | 0.11mpa | sqd6 / 7 43h | butterfly valve metal seal ≤ 350 ° c ≤ 500 ° c | |
| strength test pressure | 0.15mpa | air pressure | (pneumatic three-way switch valve) 0.4 ~ 0.6mpa | |
| opening and closing switching time | ≤15s | supply pressure | (hydraulic three-way switch valve) 6.3mpa | |
| suitable media | dust gas, flue gas, gas, air and so on | |||