pneumatic flange eccentric soft seal butterfly valve produced and sold by woci valve group is composed of angular stroke pneumatic piston actuator and butterfly valve body. it adopts three-dimensional eccentric principle to design so that the space trajectory of the sealing surface is idealized. there is no friction and no interference between the sealing surfaces. coupled with the proper choice of sealing material, so that the butterfly valve sealing, corrosion resistance, high temperature resistance and wear resistance has been a reliable guarantee.
d643h/f pneumatic flanged eccentric soft seal butterfly valvefeatures
1, the operating torque is small, all kinds of operating torque in a valve of the smallest, quick opening and closing to compressed air as the driving force through the piston rack and pinion gear mechanical transmission stem , the torque output by the angular stroke of the rotary valve plate 0 ~ 90 °, you can quickly complete the opening and closing movements, simple structure, small size, light weight, small flow resistance, flow coefficient, good sealing performance. large adjustment range. is the automation control system instrumentation unit.
2, the use of electric - gas valve positioner to electrical signals and compressed air as the driving force to accept the control system input 0-10madc or 4-20madc current signal from the regulator will be compressed air into gas pressure signal input and output, change the valve plate rotation angle (0-90 ° any angle), with better regulation of control flow and other parameters.
3, the use of electromagnetic valve, valve position back to the device to ac220v or dc24v power supply voltage and compressed air as the driving force to achieve fluid medium fast two-position control.
4, the implementing agencies using piston cylinder and crank conversion structure, the output torque, small size, the use of fully sealed waterproof design high degree of protection. cylinder body with mirror cylinder, no oil lubrication, small friction coefficient, corrosion resistance, with superior durability and reliability. all drive bearings are self-lubricating bearings with no oil lubrication to ensure that the drive shaft is not worn.
d643h/f pneumatic flanged eccentric soft seal butterfly valve main end of the parameters
nominal through dn (mm) | 50 ~ 2000 | 50 ~ 1600 | |
nominal pressure pn (mpa) | 0.6 | 1.0 | 1.6 |
seal test (mpa) | 0.66 | 1.1 | 1.76 |
strength test (mpa) | 0.9 | 1.5 | 2.4 |
proper temperature | nitrile rubber: -40 ℃ ~ 90 ℃ viton: -20 ℃ ~ 200 ℃ | ||
suitable media | water, air, natural gas, oil and weak corrosive fluids | ||
leak rate | in line with gb / t13927-92 standards | ||
drive mode | worm gear, electric, pneumatic, hydraulic | ||
d643h/f pneumatic flanged eccentric soft seal butterfly valve main components and parts
part name | material |
body | wcb, qt450-10, ht200, ht250 |
butterfly plate | wcb, qt450-10, ht200, ht250 |
valve shaft | 2cr13 |
sealing ring | nitrile oil-resistant rubber |
filler | flexible graphite |
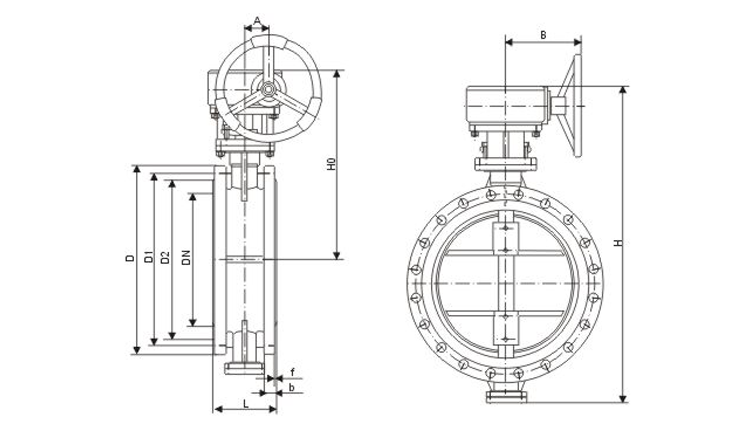
d643h/f pneumatic flanged eccentric soft seal butterfly valve main dimensions

the main form of connection size | flange size and bolt hole size | ||||||||||||||||
dn | l | h | a | b | 0.6mpa | 1.0mpa | 1.6mpa | ||||||||||
d | d1 | d2 | nd | d | d1 | d2 | nd | d | d1 | d2 | nd | ||||||
50 | 108 | 82.5 | 306 | 80 | 80 | 140 | 110 | 88 | 4-14 | 185 | 125 | 99 | 4-18 | 165 | 125 | 99 | 4-18 |
65 | 112 | 92.5 | 321 | 80 | 80 | 160 | 130 | 108 | 4-14 | 185 | 145 | 118 | 4-18 | 185 | 145 | 118 | 4-18 |
80 | 114 | 100 | 346 | 80 | 80 | 190 | 150 | 124 | 4-18 | 200 | 160 | 132 | 8-18 | 200 | 160 | 132 | 8-18 |
100 | 127 | 110 | 387 | 95 | 95 | 210 | 170 | 144 | 4-18 | 220 | 180 | 156 | 8-18 | 220 | 180 | 156 | 8-18 |
125 | 140 | 125 | 411 | 95 | 95 | 240 | 20 | 174 | 8-18 | 250 | 210 | 184 | 8-18 | 250 | 210 | 184 | 8-18 |
150 | 140 | 142.5 | 447 | 95 | 95 | 265 | 225 | 199 | 8-18 | 285 | 240 | 211 | 8-22 | 285 | 240 | 211 | 8-22 |
200 | 152 | 170 | 607 | 190 | 308 | 320 | 280 | 254 | 8-18 | 340 | 295 | 266 | 8-22 | 340 | 295 | 266 | 12-22 |
250 | 165 | 192.5 | 688 | 190 | 308 | 375 | 335 | 309 | 12-18 | 395 | 350 | 319 | 12-22 | 405 | 355 | 319 | 12-26 |
300 | 178 | 222.5 | 742 | 190 | 308 | 440 | 395 | 363 | 12-22 | 445 | 400 | 370 | 12-22 | 460 | 410 | 370 | 12-26 |
350 | 190 | 252.5 | 797 | 190 | 308 | 490 | 445 | 413 | 12-22 | 505 | 460 | 429 | 16-22 | 520 | 470 | 429 | 16-26 |
400 | 216 | 282.5 | 930 | 270 | 466 | 540 | 495 | 463 | 16-22 | 565 | 515 | 480 | 16-26 | 580 | 525 | 480 | 16-30 |
450 | 222 | 307.5 | 975 | 270 | 466 | 595 | 550 | 518 | 16-22 | 615 | 565 | 530 | 20-26 | 640 | 585 | 548 | 20-30 |
500 | 229 | 335 | 1065 | 270 | 466 | 645 | 600 | 568 | 20-22 | 670 | 620 | 582 | 20-26 | 715 | 650 | 609 | 20-33 |
600 | 267 | 390 | 1225 | 457 | 625 | 755 | 705 | 667 | 20-26 | 780 | 725 | 682 | 20-30 | 840 | 770 | 720 | 20-36 |
700 | 292 | 447.5 | 1343 | 457 | 625 | 860 | 810 | 772 | 24-26 | 895 | 840 | 794 | 24-30 | 910 | 840 | 794 | 24-36 |
800 | 318 | 507.5 | 1436 | 457 | 625 | 975 | 920 | 878 | 24-30 | 1015 | 950 | 901 | 24-33 | 1025 | 950 | 901 | 24-39 |
900 | 330 | 557.5 | 1616 | 598 | 853 | 1075 | 1020 | 978 | 24-30 | 1115 | 1050 | 1001 | 28-33 | 1125 | 1050 | 1001 | 28-39 |
1000 | 410 | 615 | 1711 | 598 | 853 | 1175 | 1120 | 1078 | 28-30 | 1230 | 1160 | 1112 | 28-36 | 1255 | 1170 | 1112 | 28-42 |
1200 | 470 | 727.5 | 1971 | 598 | 853 | 1405 | 1340 | 1295 | 32-33 | 1455 | 1380 | 1328 | 32-39 | 1485 | 1390 | 1328 | 32-48 |
1400 | 530 | 837.5 | 2218 | 860 | 1345 | 1630 | 1560 | 1510 | 36-36 | 1675 | 1590 | 1530 | 36-42 | 1685 | 1590 | 1530 | 36-48 |
1600 | 600 | 957.5 | 2578 | 860 | 1345 | 1830 | 1760 | 1710 | 40-36 | 1915 | 1820 | 1750 | 40-48 | 1930 | 1820 | 1750 | 40-56 |
1800 | 670 | 1057.5 | 2689 | 860 | 1345 | 2045 | 1970 | 1918 | 44-39 | 2115 | 2020 | 1950 | 44-48 | 2130 | 2020 | 1950 | 44-56 |
2000 | 760 | 1162.5 | 3022 | 952 | 1592 | 2265 | 2180 | 2125 | 48-42 | 2325 | 2230 | 2150 | 48-48 | 2345 | 2230 | 2150 | 48-62 |