d673h/f pneumatic hard seal clamp butterfly valve product overview
d673h/f pneumatic hard seal clamp butterfly valve produced and sold by woci valve group adopts precision j-shaped elastic sealing ring and three eccentric multi-level metal hard seal structure. it is widely used in metallurgical, electric power, petrochemical industry, water supply and drainage and municipal construction and other industrial pipelines with medium temperature ≤425℃, for regulating the flow rate and carrying the cutout body.the valve adopts three eccentric structure, the valve seat and the disc sealing surface are made of different hardness and stainless steel, with good corrosion resistance, long service life, the valve has a two-way sealing function, the product conforms to gb/t13927-92 valve pressure test standards.
d673h/f pneumatic hard seal clamp butterfly valve features
1, the valve adopts three eccentric seal structure, the valve seat and disc almost no wear, with the more the more tight sealing function.
2, the ring made of stainless steel, with the advantages of both metal seal and flexible seal, both in the case of low temperature and high temperature, have excellent sealing performance, with corrosion resistance, long service life and so on.
3, the butterfly plate sealing surface using welding cobalt-based hard alloy, sealing surface wear-resistant, long service life.
4, large-format butterfly plate frame structure, high strength, large flow area, small flow resistance.
5, the valve has a two-way sealing function, the installation is not subject to restrictions on the flow of media, but also the location of space, can be installed in any direction.
6, the drive can be multi-station (rotated 90 ° or 180 °) installation, user-friendly.
d673h/f pneumatic hard seal clamp butterfly valve principle
electromagnetic valve to control the pneumatic actuator, the valve stem to achieve the purpose of turning 90 °.
cylinder with 1/4 rotary cylinder, adjustable angle 1 ° ~ 5 °.
d673h/f pneumatic hard seal clamp butterfly valve main technical parameters
| technical parameters | |
| nominal diameter | dn50 ~ 800mm |
| connection method | clip-on |
| cylinder matching | at series, gt series, aw series, import actuator series |
| cylinder form | double acting, single acting (spring return) |
| control method | switch, adjustable, three-stage (opening optional) |
| nominal pressure | 16,25,40bar (please specify when ordering for higher pressure) |
| air pressure | double role: 4 ~ 8bar, single role: 5 ~ 8bar |
| medium temperature | w1: -40 to 180 ° c, w3: -30 to 425 ° c, and w4: -40 to 425 ° c |
| ambient temperature | standard type: -20 ~ 80 ℃ |
| body material | carbon steel (c), stainless steel (p4, p6) |
| sealing material | polytetrafluoroethylene (f), metal hard seal (h), carbide (y) |
note: other special sealing materials or special temperature can also be designed according to customer requirements
| accessories selection | |
| the electromagnetic valve | double-acting election two five-way, two-way single five-way, single electric double-control when ordering |
| air treatment triplet | regulated gas supply, filtration, cylinder lubrication |
| limit switch | remote feedback switch signal |
| hand-operated institutions | can be manually opened and closed valves |
| locator | input analog signal (4-20ma or 0-10v), adjust the valve opening |
| remarks | the above accessories are not standard accessories, such as the need to configure the order time, solenoid valves and limit switches are not explosion-proof and explosion-proof, if explosion-proof also indicate the level of explosion-proof |
d673h/f pneumatic hard seal clamp butterfly valve material of main parts
| main parts material table | |||||||||
| serial number | part name | material | serial number | part name | material | ||||
| c | p4 | p6 | c | p4 | p6 | ||||
| 1 | hexagon screw | 1gr18ni9ti | 1gr18ni9ti | 1cr18ni12mo2ti | 11 | body | wcb | zg1cr18ni12mo2ti | zg1cr18ni12mo2ti |
| 2 | cap | wcb | 1gr18ni9ti | zg1cr18ni12mo2ti | 12 | valve stem | 1cr13 | 1gr18ni9ti | 1cr18ni12mo2ti |
| 3 | gasket | 1gr18ni9ti | 1gr18ni9ti | 1cr18ni12mo2ti | 13 | connect the bracket | wcb | wcb | wcb |
| 4 | seat | ptfe. stainless steel + flexible graphite | 14 | key | 45 | 45 | 45 | ||
| 5 | gasket | 1gr18ni9ti | 1gr18ni9ti | 1cr18ni12mo2ti | 15 | bushing | ptfe composite bearings | ||
| 6 | butterfly plate | wcb | zg1cr18ni12mo2ti | zg1cr18ni12mo2ti | 16 | filler | ptfe. flexible graphite | ||
| 7 | cylindrical pin | 45 | 1gr18ni9ti | 1cr18ni12mo2ti | 17 | gland | wcb | zg1cr18ni9ti | zg1cr18ni12mo2ti |
| 8 | lower lid | wcb | zg1cr18ni12mo2ti | zg1cr18ni12mo2ti | 18 | pneumatic device | extruded aluminum alloy | ||
| 9 | gasket | ptfe. stainless steel + flexible graphite | 19 | location indicator | plastic | ||||
| 10 | bushing | ptfe composite bearings | |||||||
note: other parts and seals of the material can also be based on the actual conditions or customer requirements design selection
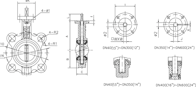
d673h/f pneumatic hard seal clamp butterfly valve main dimensions

| main dimensions - pn16 (16bar) | |||||||
| nominal diameter [dn] | dimensions | connection size | actuator model | ||||
| l | l1 | l2 | h | d | nd | ||
| 50 | 43 | 159/211 | 83/95 | 277/205 | 125 | 4-18 | atd63 / ate75 |
| 65 | 46 | 211/248 | 95/107 | 287/315 | 145 | 4-18 | atd75 / ate88 |
| 80 | 46 | 248/269 | 107/123 | 365/375 | 160 | 8-18 | atd88 / ate100 |
| 100 | 52 | 269/315 | 123/141 | 420/436 | 180 | 8-18 | atd100 / ate115 |
| 125 | 56 | 315/345 | 141/152 | 436/462 | 210 | 8-18 | atd115 / ate125 |
| 150 | 56 | 345/409 | 152/172 | 466/543 | 240 | 8-22 | atd125 / ate145 |
| 200 | 60 | 409/438 | 172/187 | 593/665 | 295 | 12-22 | atd145 / ate160 |
| 250 | 68 | 436/559 | 187/215 | 682/752 | 355 | 12-26 | atd160 / ate190 |
| 300 | 78 | 550/600 | 215/240 | 725/772 | 410 | 12-26 | atd190 / ate210 |
| 350 | 78 | 600/633 | 240/262 | 832/880 | 470 | 16-26 | atd210 / ate240 |
| 400 | 102 | 633/730 | 262/330 | 862/968 | 525 | 16-30 | atd240 / ate270 |
| 450 | 114 | 633 | 262 | 945/1005 | 585 | 20-30 | atd240 / ate25 |
| 500 | 127 | 730 | 300 | 1058/1060 | 650 | 20-33 | atd270 / ate25 |
| 600 | 154 | 1320/1970 | 440/480 | 1108/1195 | 770 | 20-36 | atd25 / ate28 |
| 700 | 165 | 1430/2700 | 480/560 | 1170/1255 | 840 | 24-36 | atd28 / ate35 |
| 800 | 190 | 1430/2700 | 480/560 | 1325/1365 | 950 | 24-39 | atd25 / ate35 |
note: according to different valve torque, different air pressure and different actual conditions, select the appropriate actuator size also changes its relevant