d941x electric flanged soft seal butterfly valve produced and sold by woci valve group are made of rubber sealing butterfly valve and carbon steel or stainless steel valve plate and valve stem. for temperature ≤ 120 ℃ such as textile, paper, food, medicine, chemicals, petroleum, electricity, water supply and drainage, gas pipeline for regulating the role of flow and interception of the media.
d941x electric flanged soft seal butterfly valve features 1, powerful: intelligent, regulatory, switching. 2, small size: the volume is only equivalent to about 35% of similar products. 3, easy to use: single-phase power supply, wiring is simple; using the original spherical bulge structure, so that more convenient observation; free refuel point inspection, waterproof anti-rust, any angle installation. 4, double limit protection device, overheat protection, overload protection. full trip time 15 seconds, 30 seconds, 45 seconds, 60 seconds. and with manual function
| nominal diameter | dn (mm) | 50 ~ 1000 | ||||
| nominal pressure | pn (mpa) | 0.6 | 1.0 | 1.6 | 2.5 | 4.0 |
| test pressure | strength test | 0.9 | 1.5 | 2.4 | 3.75 | 6.0 |
| seal test | 0.66 | 1.1 | 1.76 | 2.75 | 4.4 | |
| gas seal test | 0.6 | 0.6 | 0.6 | 0.6 | 0.6 | |
| suitable media | water, steam, oil, acid corrosive and so on. | |||||
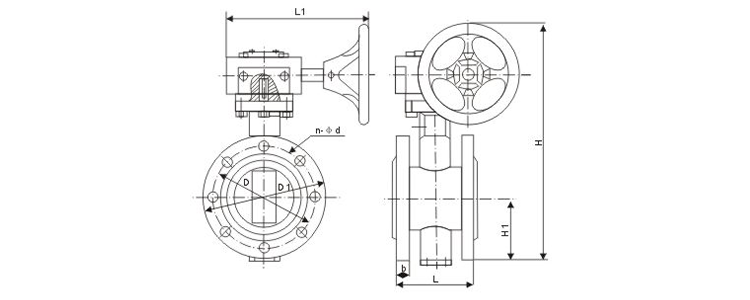
d941x electric flanged soft seal butterfly valve main dimensions and weight (pn1.0 / 1.6mpa)

| dn (mm) | a | b | c | d | d1 | d2 | d3 | d4 | d5 | l | l1 | l2 | nd | a | f | n-d1 | weight wt (kg) |
| 50 | 83 | 130 | 20 | 52.9 | 125 | 165 | 99 | 57.15 | 65 | 108 | 111 | 32 | 4-19 | 90 ° | 3 | 4-7 | 7.6 |
| 65 | 93 | 145 | 20 | 64.5 | 145 | 185 | 118 | 57.15 | 65 | 112 | 115 | 32 | 4-19 | 90 ° | 3 | 4-7 | 9.7 |
| 80 | 100 | 155 | 22 | 78.8 | 160 | 20 | 132 | 69.85 | 65 | 114 | 117 | 32 | 8-19 | 45 ° | 3 | 4-7 | 10.6 |
| 100 | 114 | 170 | 24 | 104 | 180 | 220 | 156 | 69.85 | 90 | 127 | 130 | 32 | 8-19 | 45 ° | 3 | 4-10 | 13.8 |
| 125 | 125 | 190 | 26 | 123.3 | 210 | 250 | 184 | 69.85 | 90 | 140 | 143 | 32 | 8-19 | 45 ° | 3 | 4-10 | 18.2 |
| 150 | 143 | 205 | 26 | 155.6 | 240 | 285 | 211 | 88.9 | 90 | 140 | 143 | 32 | 8-23 | 45 ° | 3 | 4-10 | 21.7 |
| 200 | 170 | 235 | 26 | 202.5 | 295 | 340 | 266 | 88.9 | 125 | 152 | 155 | 45 | 8-23 12-23 | 45 ° / 30 ° | 3 | 4-14 | 31.8 |
| 250 | 198 | 280 | 28 | 250.5 | 350/355 | 395/405 | 319 | 107.95 | 125 | 165 | 168 | 45 | 12-23 12-28 | 30 ° | 3 | 4-14 | 44.7 |
| 300 | 223 | 310 | 28 | 301.5 | 400/410 | 445/460 | 370 | 107.95 | 150 | 178 | 182 | 45 | 12-23 12-28 | 30 ° | 4 | 4-14 | 57.9 |
| 350 | 279 | 340 | 30 | 333.3 | 460/470 | 505/520 | 429 | 158.75 | 150 | 190 | 194 | 45 | 16-23 16-28 | 22.5 ° | 4 | 4-14 | 81.6 |
| 400 | 300 | 375 | 32 | 389.6 | 515/525 | 565/580 | 480 | 158.75 | 175 | 216 | 221 | 51.2 / 72 | 16-28 16-31 | 22.5 ° | 4 | 4-20.6 | 106 |
| 450 | 345 | 430 | 32 | 440.5 | 565/585 | 615/640 | 530 | 158.75 | 175 | 222 | 227 | 51.2 / 72 | 20-28 20-31 | 18 ° | 4 | 4-20.6 | 147 |
| 500 | 355 | 500 | 34 | 491.6 | 620/650 | 670/715 | 582 | 215.9 | 210 | 229 | 234 | 52.75 / 77.5 | 20-26 20-34 | 18 ° | 4 | 4-20.6 | 165 |
| 600 | 410 | 560 | 36 | 592.5 | 725/770 | 780/840 | 682 | 254 | 210 | 267 | 272 | 70.2 / 82 | 20-31 20-37 | 18 ° | 5 | 4-22 | 235 |
| 700 | 478 | 620 | 40 | 695 | 840 | 895/910 | 794 | 254 | 300 | 292 | 299 | 66/82 | 24-31 24-37 | 15 ° | 5 | 8-18 | 338 |
| 800 | 529 | 620 | 44 | 794.7 | 950 | 1015/1025 | 901 | 254 | 300 | 318 | 325 | 66/82 | 24-34 24-40 | 15 ° | 5 | 8-18 | 475 |
| 900 | 584 | 665 | 46 | 864.7 | 1050 | 1115/1125 | 1001 | 254 | 350 | 330 | 338 | 118 | 28-34 28-40 | 12.9 ° | 5 | 8-22 | 595 |
| 1000 | 657 | 735 | 50 | 965 | 1160/1170 | 1230/1255 | 1112 | 254 | 350 | 410 | 417 | 141 | 28-37 28-43 | 12.9 ° | 5 | 8-22 | 794 |