d943h electric flanged hard seal butterfly valve seal structure and performance introduction
d943h electric flanged hard seal butterfly valve produced and sold by woci valve group is composed of valve body, butterfly plate, sealing ring, transmission mechanism and other main components. its structure adopts three-dimensional eccentricity principle design, elastic seal and hard and soft multi-layer seal compatible processing technology, so that the butterfly valve in operation, reduce its torque force, to save effort, energy saving function.
to ensure the overall corrosion resistance.high temperature and damage resistant reliability.
d943h electric flanged hard seal butterfly valve main performance characteristics
1, the structure of a unique, small and lightweight, flexible operation, labor-saving and convenient;
2, sealed and reliable, can be sealed without leakage;
3, flow characteristics tend to rectilinear best;
4, the use of three eccentric principle, so that the sealing surface is almost zero loss extended valve life;
5, a wide range of applications. such as: can be used for water, steam, oil, air, gas and other media.
6, for different temperatures and pressure levels below 6.4mpa, corrosion and other media pipeline.
d943h electric flanged hard seal butterfly valve application
this butterfly valve is suitable for food, medicine, petrochemical, power plants, steel mills, industrial water treatment and high-rise building environmental protection, water supply and drainage pipe for regulating flow and cut off the best fluid device.

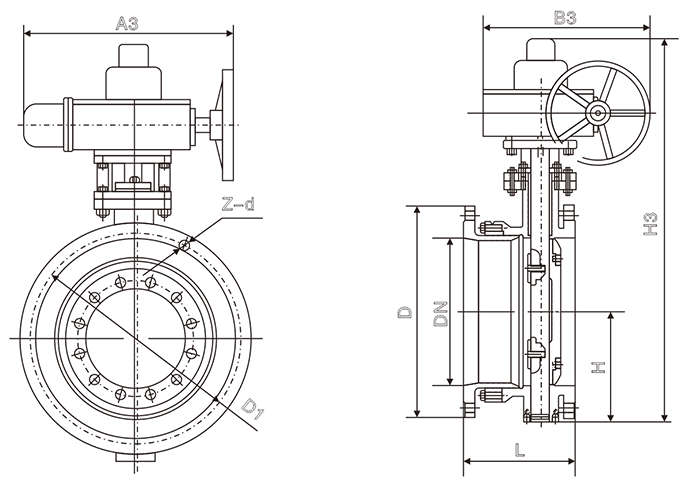
d943h electric flanged hard seal butterfly valve main connection and dimensions pn0.6, 1.0mpa
| nominal diameter dn | structure length l | dimensions (reference value) | connection (standard value) | reference weight | ||||||||||
| h | dd943h | pn0.6mpa | pn1.0mpa | |||||||||||
| mm | inch | short | long | h3 | a3 | b3 | d | d1 | z-d | d | d1 | z-d | ||
| 50 | 2 | 108 | 150 | 112 | 530 | 250 | 255 | 140 | 110 | 4-14 | 165 | 125 | 4-18 | 17 |
| 65 | 5/2 | 112 | 170 | 115 | 530 | 250 | 255 | 160 | 130 | 4-14 | 185 | 145 | 4-18 | 20 |
| 80 | 3 | 114 | 180 | 120 | 565 | 250 | 255 | 190 | 150 | 4-18 | 200 | 160 | 8-18 | 23 |
| 100 | 4 | 127 | 190 | 138 | 600 | 250 | 255 | 210 | 170 | 4-18 | 220 | 180 | 8-18 | 25 |
| 125 | 5 | 140 | 200 | 164 | 640 | 250 | 255 | 240 | 200 | 8-18 | 250 | 210 | 8-18 | 40 |
| 150 | 6 | 140 | 210 | 175 | 705 | 300 | 315 | 165 | 225 | 8-18 | 285 | 240 | 8-22 | 47 |
| 200 | 8 | 152 | 230 | 200 | 775 | 300 | 315 | 320 | 280 | 8-18 | 340 | 295 | 8-22 | 60 |
| 250 | 10 | 165 | 250 | 243 | 945 | 300 | 315 | 375 | 335 | 12-18 | 395 | 350 | 12-22 | 95 |
| 300 | 12 | 178 | 270 | 250 | 1070 | 300 | 315 | 440 | 395 | 12-22 | 445 | 400 | 12-22 | 124 |
| 350 | 14 | 190 | 290 | 280 | 1140 | 300 | 315 | 490 | 445 | 12-22 | 505 | 460 | 16-22 | 181 |
| 400 | 16 | 216 | 310 | 305 | 1210 | 300 | 315 | 540 | 495 | 16-22 | 565 | 515 | 16-26 | 260 |
| 450 | 18 | 222 | 330 | 350 | 1335 | 575 | 714 | 595 | 550 | 16-22 | 615 | 565 | 20-26 | 338 |
| 500 | 20 | 229 | 350 | 380 | 1415 | 575 | 714 | 645 | 600 | 20-22 | 670 | 620 | 20-26 | 360 |
| 600 | 24 | 267 | 390 | 445 | 1605 | 656 | 810 | 755 | 705 | 20-26 | 780 | 725 | 20-30 | 540 |
| 700 | 28 | 292 | 430 | 480 | 1844 | 656 | 810 | 860 | 810 | 24-26 | 895 | 840 | 24-30 | 580 |
| 800 | 32 | 318 | 470 | 530 | 2040 | 656 | 810 | 975 | 920 | 24-30 | 1015 | 950 | 24-33 | 845 |
| 900 | 36 | 330 | 510 | 580 | 2255 | 785 | 863 | 1075 | 1020 | 24-30 | 1115 | 1050 | 28-33 | 1050 |
| 1000 | 40 | 410 | 550 | 650 | 2380 | 785 | 863 | 1175 | 1120 | 28-30 | 1230 | 1160 | 28-36 | 1500 |
| 1200 | 48 | 470 | 630 | 760 | 2640 | 785 | 863. | 1405 | 1340 | 32-33 | 1455 | 1380 | 32-39 | 2000 |
| 1400 | 56 | 530 | 710 | 850 | 2886 | 8410 | 890 | 1630 | 1560 | 36-36 | 1675 | 1590 | 36-42 | 3000 |
| 1600 | 64 | 600 | 790 | 1030 | 3156 | 810 | 890 | 1830 | 1760 | 40-369 | 1915 | 1820 | 40-48 | 4700 |
| 1800 | 72 | 670 | 870 | 1230 | 3421 | 830 | 930 | 2045 | 1970 | 44-39 | 2115 | 2020 | 44-48 | 6500 |
| 2000 | 80 | 760 | 950 | 1350 | 3685 | 850 | 940 | 2265 | 2180 | 48-42 | 2325 | 2230 | 48-48 | 8700 |
d943h electric flanged hard seal butterfly valve main connection and dimensions pn1.6, 2.5mpa
| nominal diameter dn | structure length l | dimensions (reference value) | connection (standard value) | reference weight | ||||||||||
| h | dd943h | pn1.6mpa | pn2.5mpa | |||||||||||
| mm | inch | short | long | h3 | a3 | b3 | d | d1 | z-d | d | d1 | z-d | ||
| 50 | 2 | 108 | 150 | 112 | 530 | 250 | 255 | 165 | 125 | 4-18 | 165 | 125 | 4-18 | 19 |
| 65 | 5/2 | 112 | 170 | 115 | 530 | 250 | 255 | 185 | 145 | 4-18 | 185 | 145 | 8-18 | 22 |
| 80 | 3 | 114 | 180 | 120 | 565 | 250 | 255 | 200 | 160 | 8-18 | 200 | 160 | 8-18 | 25 |
| 100 | 4 | 127 | 190 | 138 | 600 | 250 | 255 | 220 | 180 | 8-18 | 235 | 190 | 8-22 | 28 |
| 125 | 5 | 140 | 200 | 164 | 640 | 250 | 255 | 250 | 210 | 8-18 | 270 | 220 | 8-26 | 43 |
| 150 | 6 | 140 | 210 | 175 | 705 | 300 | 315 | 285 | 240 | 8-22 | 300 | 250 | 8-26 | 50 |
| 200 | 8 | 152 | 230 | 200 | 775 | 300 | 315 | 340 | 295 | 12-22 | 360 | 310 | 12-26 | 64 |
| 250 | 10 | 165 | 250 | 243 | 945 | 300 | 315 | 405 | 355 | 12-26 | 425 | 370 | 12-30 | 99 |
| 300 | 12 | 178 | 270 | 250 | 1070 | 300 | 315 | 460 | 410 | 12-26 | 485 | 430 | 16-30 | 130 |
| 350 | 14 | 190 | 290 | 280 | 1140 | 300 | 315 | 520 | 470 | 16-26 | 555 | 490 | 16-33 | 188 |
| 400 | 16 | 216 | 310 | 305 | 1210 | 300 | 315 | 580 | 525 | 16-30 | 620 | 550 | 16-36 | 270 |
| 450 | 18 | 222 | 330 | 350 | 1335 | 575 | 714 | 640 | 585 | 20-30 | 670 | 600 | 20-36 | 350 |
| 500 | 20 | 229 | 350 | 380 | 1415 | 575 | 714 | 715 | 650 | 20-33 | 730 | 660 | 20-36 | 375 |
| 600 | 24 | 267 | 390 | 445 | 1605 | 656 | 810 | 840 | 770 | 20-36 | 845 | 770 | 20-39 | 560 |
| 700 | 28 | 292 | 430 | 480 | 1844 | 656 | 810 | 910 | 840 | 24-36 | 960 | 875 | 24-42 | 610 |
| 800 | 32 | 318 | 470 | 530 | 2040 | 656 | 810 | 1025 | 950 | 24-39 | 1085 | 990 | 24-48 | 880 |
| 900 | 36 | 330 | 510 | 580 | 2255 | 785 | 863 | 1125 | 1050 | 28-39 | 1185 | 1090 | 28-48 | 1100 |
| 1000 | 40 | 410 | 550 | 650 | 2380 | 785 | 863 | 1255 | 1170 | 28-42 | 1320 | 1210 | 28-56 | 1600 |
| 1200 | 48 | 470 | 630 | 760 | 2640 | 785 | 863. | 1485 | 1390 | 32-48 | 1530 | 1420 | 32-56 | 2150 |
| 1400 | 56 | 530 | 710 | 850 | 2886 | 810 | 890 | 1685 | 1590 | 36-48 | 1755 | 1640 | 36-60 | 3200 |
| 1600 | 64 | 600 | 790 | 1030 | 3156 | 810 | 890 | 1930 | 1820 | 40-55 | 1975 | 1860 | 40-60 | 5000 |
| 1800 | 72 | 670 | 870 | 1230 | 3421 | 830 | 930 | 2130 | 2020 | 44-55 | 2195 | 2070 | 44-68 | 6900 |
| 2000 | 80 | 760 | 950 | 1350 | 3685 | 940 | 2345 | 2230 | 48-60 | 2425 | 2300 | 48-68 | 9100 | |