d681 pneumatic sanitary butterfly valve characteristic
explosion-proof features , switches, locators
european department hardcover, skilled, sealed and reliable, alternative to imports
detachable connection, stable work, simple structure, easy maintenance
opening and closing torque is small, rapid response, high quality, long life
interior polished, bright surface, lightweight and beautiful, clean, no dead ends easy to clean
| d681 pneumatic sanitary butterfly valve technical parameters | |
| nominal diameter | dn20 ~ 108mm |
| connection method | external thread, three-piece welding, clamp, butt welding |
| cylinder matching | at series, gt series, import actuator series |
| cylinder form | double acting, single acting (spring return) |
| control method | two off (switch), adjustable, three-stage (opening degree optional) |
| nominal pressure | 6,10,16bar (for higher pressure, please specify when ordering) |
| air pressure | double role: 4 ~ 8bar, single role: 5 ~ 8bar |
| medium temperature | w5: -20 to 80 ° c w6: -20 to 150 ° c w9: -30 to 120 ° c |
| ambient temperature | standard type: -20 ~ 80 ℃ |
| body material | stainless steel (p4, p6) |
| sealing material | nbr (x), viton (fkm), epdm (e) |
note: other special sealing materials or special temperature can also be designed according to customer requirements.
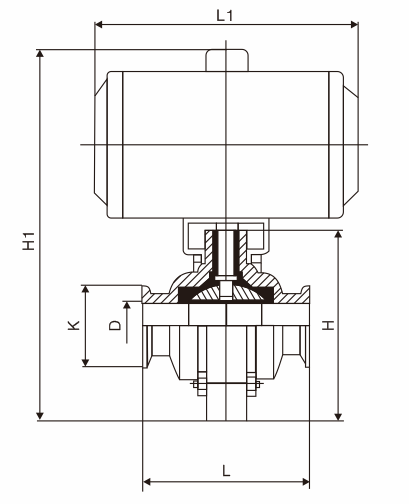
d681 pneumatic sanitary butterfly valve main dimensions-pn6 ~ 16 (6 ~ 16bar)
| |||||||||||||||
| [dn] | male thread connection size | three-piece connection size | clamp connection dimensions | butt welding connection size | lo | h | actuator model | ||||||||
| l1 | d | m | l2 | d | d | l3 | d | d | l4 | d | d | ||||
| 20 | 100 | 78 | 19.05 | 66 | 78 | 50.5 | 66 | 78 | 19.05 | 141/141 | 157/557 | atd50 / ate50 | |||
| 25 | 66 | 78 | 40xl / 6 | 100 | 78 | 25.4 | 66 | 78 | 50.5 | 66 | 78 | 25.4 | 141/141 | 157/557 | atd50 / ate50 |
| 32 | 66 | 78 | 48xl / 6 | 100 | 78 | 31.8 | 66 | 78 | 50.5 | 66 | 78 | 31.8 | 141/141 | 157/557 | atd50 / ate50 |
| 38 | 70 | 86 | 60xl / 6 | 100 | 86 | 38.1 | 70 | 86 | 50.58 | 70 | 86 | 38.1 | 141/141 | 157/557 | atd50 / ate50 |
| 51 | 76 | 102 | 70xl / 6 | 104 | 102 | 50.8 | 76 | 102 | 64 | 76 | 102 | 50.8 | 141/159 | 171/180 | atd50 / ate63 |
| 63 | 80 | 115 | 85xl / 6 | 112 | 115 | 63.5 | 80 | 115 | 77.5 | 80 | 115 | 63.5 | 141/159 | 169/169 | atd63 / ate63 |
| 76 | 84 | 128 | 98xl / 6 | 112 | 128 | 76.1 | 84 | 128 | 91 | 84 | 128 | 76.1 | 159/211 | 194/208 | atd63 / ate75 |
| 89 | 120 | 139 | 88.9 | 90 | 139 | 106 | 90 | 139 | 88.9 | 159/248 | 200/224 | atd63 / ate88 | |||
| 102 | 104 | 159 | 132xl / 6 | 128 | 155 | 101.6 | 102 | 155 | 119 | 102 | 155 | 101.6 | 211/248 | 220/242 | atd75 / ate88 |
| 108 | 128 | 159 | 108 | 108 | 159 | 119 | 108 | 159 | 108 | 211/269 | 223/245 | atd75 / ate100 | |||
note: according to different valve torque, different air pressure and different actual conditions, choose the appropriate actuator size also changes.