d941w electric ventilation butterfly valve produced and sold by woci valve group is mainly used in the cold air or hot air gas pipeline containing dust in the ventilation and environmental protection engineering in metallurgy, chemical industry, building materials, power station, glass and other industries, as the gas medium to regulate the flow or cut off device.
d941w electric ventilation butterfly valve characteristic:
1. it is designed and manufactured by welding the new structure of the midline plate and the short structure steel plate. it has the advantages of compact structure, light weight, easy installation, small flow resistance, large flow flux, and easy operation to avoid the influence of high temperature expansion.
2, long service life, can be multi-station installation, not affected by the flow of media.
d941w electric ventilation butterfly valve structural features:
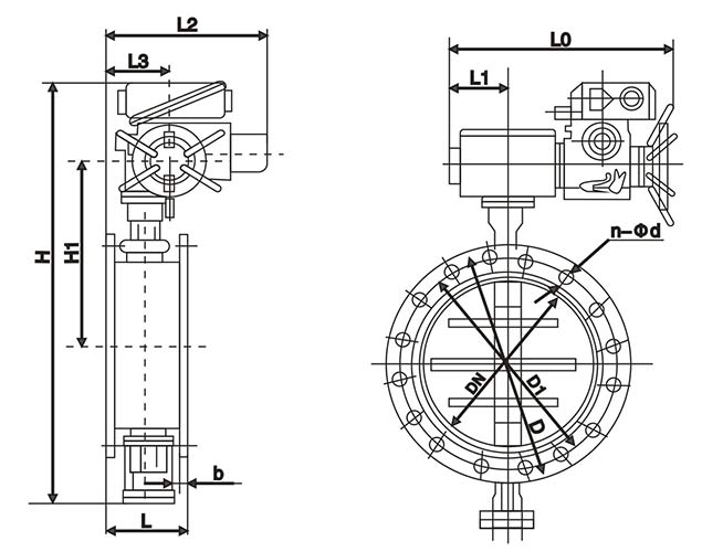
d941w electric ventilation butterfly valve main dimensions

dn | d | d1 | l | l1 | l2 | n-фd | b |
300 | 405 | 370 | 120 | 716 | 220 | 8-12 | 10 |
350 | 455 | 420 | 140 | 786 | 240 | 8-14 | 10 |
400 | 505 | 470 | 140 | 924 | 270 | 12-18 | 10 |
450 | 570 | 530 | 160 | 999 | 295 | 12-18 | 10 |
500 | 620 | 580 | 160 | 1079 | 325 | 12-18 | 10 |
600 | 720 | 680 | 180 | 1140 | 380 | 16-18 | 12 |
700 | 820 | 780 | 180 | 1240 | 430 | 16-18 | 12 |
800 | 920 | 880 | 200 | 1344 | 490 | 16-18 | 12 |
900 | 1040 | 990 | 200 | 1444 | 540 | 16-18 | 14 |
1000 | 1140 | 1090 | 220 | 1544 | 590 | 20-18 | 14 |
1100 | 1240 | 1190 | 220 | 1644 | 640 | 20-18 | 14 |
1200 | 1340 | 1290 | 240 | 1744 | 690 | 20-18 | 14 |
1300 | 1440 | 1390 | 240 | 1864 | 760 | 20-18 | 16 |
1400 | 1540 | 1490 | 260 | 2020 | 810 | 24-18 | 16 |
1500 | 1640 | 1590 | 260 | 2120 | 860 | 24-18 | 16 |
1600 | 1740 | 1690 | 280 | 2240 | 980 | 24-18 | 16 |
1700 | 1840 | 1790 | 280 | 2340 | 1030 | 28-22 | 16 |
1800 | 1940 | 1890 | 300 | 2440 | 1096 | 28-22 | 16 |
1900 | 2040 | 1990 | 300 | 2540 | 1146 | 32-22 | 16 |
2000 | 2150 | 2090 | 320 | 2640 | 1196 | 32-26 | 16 |
2200 | 2360 | 2300 | 340 | 3252 | 1296 | 36-26 | 16 |
2400 | 2560 | 2500 | 360 | 3452 | 1396 | 36-26 | 18 |
2600 | 2760 | 2700 | 380 | 3652 | 1496 | 40-26 | 18 |
2800 | 2960 | 2900 | 400 | 3852 | 1596 | 40-26 | 18 |
3000 | 3190 | 3110 | 400 | 3896 | 1698 | 44-30 | 18 |
3200 | 3390 | 3310 | 440 | 4110 | 1798 | 44-30 | 20 |
3400 | 3590 | 3510 | 440 | 4396 | 1898 | 48-30 | 20 |
3600 | 3790 | 3710 | 480 | 4636 | 1998 | 48-30 | 20 |
3800 | 4000 | 3910 | 480 | 4886 | 2098 | 52-30 | 22 |
4000 | 4210 | 4120 | 520 | 5160 | 2210 | 52-30 | 22 |