d341x soft seal flange butterfly valve main technical parameters
nominal diameter | dn (mm) | 50 ~ 2000 | ||
nominal pressure | pn (mpa) | 0.6 | 1.0 | 1.6 |
test pressure | strength test | 0.9 | 1.5 | 2.4 |
seal test | 0.66 | 1.1 | 1.76 | |
gas seal test | 0.6 | 0.6 | 0.6 | |
suitable media | air, water, sewage, steam, gas, oil and so on | |||
drive form | manual, worm gear drive, gas drive, electric drive | |||
d341x soft seal flange butterfly valve main parts of the material
part name | material |
body | all kinds of rubber, ptfe |
butterfly plate | gray cast iron, ductile cast steel, cast steel, stainless steel and special materials |
sealing ring | ductile cast steel, cast steel, alloy steel, stainless steel |
valve stem | 2cr13, stainless steel |
filler | o-ring, flexible graphite |
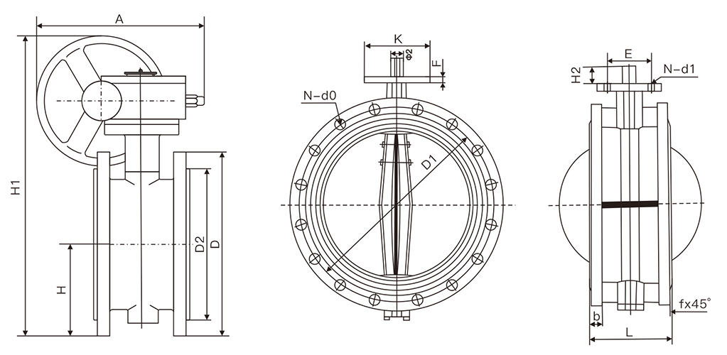
d341x soft seal flange butterfly valve main dimensions and weight (pn1.0 / 1.6mpa)

| dn (mm) | a | b | c | d | d1 | d2 | d3 | d4 | d5 | l | l1 | l2 | nd | a | f | n-d1 | weight wt (kg) |
| 50 | 83 | 130 | 20 | 52.9 | 125 | 165 | 99 | 57.15 | 65 | 108 | 111 | 32 | 4-19 | 90 ° | 3 | 4-7 | 7.6 |
| 65 | 93 | 145 | 20 | 64.5 | 145 | 185 | 118 | 57.15 | 65 | 112 | 115 | 32 | 4-19 | 90 ° | 3 | 4-7 | 9.7 |
| 80 | 100 | 155 | 22 | 78.8 | 160 | 20 | 132 | 69.85 | 65 | 114 | 117 | 32 | 8-19 | 45 ° | 3 | 4-7 | 10.6 |
| 100 | 114 | 170 | 24 | 104 | 180 | 220 | 156 | 69.85 | 90 | 127 | 130 | 32 | 8-19 | 45 ° | 3 | 4-10 | 13.8 |
| 125 | 125 | 190 | 26 | 123.3 | 210 | 250 | 184 | 69.85 | 90 | 140 | 143 | 32 | 8-19 | 45 ° | 3 | 4-10 | 18.2 |
| 150 | 143 | 205 | 26 | 155.6 | 240 | 285 | 211 | 88.9 | 90 | 140 | 143 | 32 | 8-23 | 45 ° | 3 | 4-10 | 21.7 |
| 200 | 170 | 235 | 26 | 202.5 | 295 | 340 | 266 | 88.9 | 125 | 152 | 155 | 45 | 8-23 12-23 | 45 ° / 30 ° | 3 | 4-14 | 31.8 |
| 250 | 198 | 280 | 28 | 250.5 | 350/355 | 395/405 | 319 | 107.95 | 125 | 165 | 168 | 45 | 12-23 12-28 | 30 ° | 3 | 4-14 | 44.7 |
| 300 | 223 | 310 | 28 | 301.5 | 400/410 | 445/460 | 370 | 107.95 | 150 | 178 | 182 | 45 | 12-23 12-28 | 30 ° | 4 | 4-14 | 57.9 |
| 350 | 279 | 340 | 30 | 333.3 | 460/470 | 505/520 | 429 | 158.75 | 150 | 190 | 194 | 45 | 16-23 16-28 | 22.5 ° | 4 | 4-14 | 81.6 |
| 400 | 300 | 375 | 32 | 389.6 | 515/525 | 565/580 | 480 | 158.75 | 175 | 216 | 221 | 51.2 / 72 | 16-28 16-31 | 22.5 ° | 4 | 4-20.6 | 106 |
| 450 | 345 | 430 | 32 | 440.5 | 565/585 | 615/640 | 530 | 158.75 | 175 | 222 | 227 | 51.2 / 72 | 20-28 20-31 | 18 ° | 4 | 4-20.6 | 147 |
| 500 | 355 | 500 | 34 | 491.6 | 620/650 | 670/715 | 582 | 215.9 | 210 | 229 | 234 | 52.75 / 77.5 | 20-26 20-34 | 18 ° | 4 | 4-20.6 | 165 |
| 600 | 410 | 560 | 36 | 592.5 | 725/770 | 780/840 | 682 | 254 | 210 | 267 | 272 | 70.2 / 82 | 20-31 20-37 | 18 ° | 5 | 4-22 | 235 |
| 700 | 478 | 620 | 40 | 695 | 840 | 895/910 | 794 | 254 | 300 | 292 | 299 | 66/82 | 24-31 24-37 | 15 ° | 5 | 8-18 | 338 |
| 800 | 529 | 620 | 44 | 794.7 | 950 | 1015/1025 | 901 | 254 | 300 | 318 | 325 | 66/82 | 24-34 24-40 | 15 ° | 5 | 8-18 | 475 |
| 900 | 584 | 665 | 46 | 864.7 | 1050 | 1115/1125 | 1001 | 254 | 350 | 330 | 338 | 118 | 28-34 28-40 | 12.9 ° | 5 | 8-22 | 595 |
| 1000 | 657 | 735 | 50 | 965 | 1160/1170 | 1230/1255 | 1112 | 254 | 350 | 410 | 417 | 141 | 28-37 28-43 | 12.9 ° | 5 | 8-22 | 794 |