bd343h insulation butterfly valve product description:
bd343h insulation butterfly valve produced and sold by woci valve group insulation butterfly valve, also known as the butterfly valve in the general three eccentric metal seal on the outside of the body welded with metal jacket, butterfly valve on both sides of the body with a jacket jacket interface , can contain steam or other overheating gas to prevent the medium from freezing or crystallization at normal temperature. insulation butterfly valve flange than ordinary metal hard sealing butterfly valve to one or two specifications, mainly for petroleum, chemical, metallurgical, pharmaceutical and other systems. insulation butterfly valve bd343h / bd643h / bd943h.
bd343h insulation butterfly valve working principle:
bd343h three eccentric butterfly valve body and butterfly valve design using three-dimensional eccentric principle, so that the sealing surface of the space trajectory to achieve the most ideal, no sealing between the wear and tear, without interference, combined with sealing material selection of a reasonable seat welding stl alloy, so that the entire seat of the seal, high temperature resistance, wear resistance, corrosion resistance can be reliably guaranteed.
bd343h insulation butterfly valve features:
☆ thermal insulation effect is good, energy saving, long life, etc. advantage is the ideal device for sulfur back to the device.
☆ using three-dimensional eccentric design, the sealing surface of the space trajectory to achieve the most ideal.
☆ small opening torque, flexible and convenient and three-dimensional eccentric structure can make the more close off the butterfly tight, more reliable sealing.
☆ there is no wear and tear between the sealing pair, no interference, combined with sealing material choose a reasonable seat surfacing stl alloy, so that the entire seat of the seal, high temperature resistance, wear resistance, corrosion resistance can be reliably guaranteed.
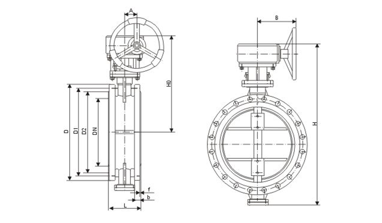
bd343h insulation butterfly valve main dimensions

dn (mm) | structure length (standard value) | dimensions (reference value) | connection size (standard value) | 48-48 reference weight d1341h (kg) | ||||||||||||||||
l | h | bdd343h | bdd643h | bdd943h | pn0.6mpa | pn1.6mpa | ||||||||||||||
mm | inch | brief | long | h1 | a1 | b1 | h2 | a2 | b2 | h3 | a3 | b3 | d | d1 | zd | d | d1 | zd | ||
50 | 2 | 108 | 150 | 112 | 350 | 180 | 200 | 625 | 245 | 72 | 530 | 250 | 255 | 140 | 110 | 4-14 | 165 | 125 | 4-18 | 17 |
65 | 2 1/2 | 112 | 170 | 115 | 370 | 180 | 200 | 625 | 245 | 72 | 530 | 250 | 255 | 160 | 130 | 4-14 | 185 | 145 | 4-18 | 20 |
80 | 3 | 114 | 180 | 120 | 380 | 180 | 200 | 645 | 245 | 72 | 565 | 250 | 255 | 190 | 150 | 4-18 | 200 | 160 | 8-18 | 23 |
100 | 4 | 127 | 190 | 138 | 420 | 180 | 200 | 675 | 355 | 92 | 600 | 250 | 255 | 210 | 170 | 4-18 | 220 | 180 | 8-18 | 25 |
125 | 5 | 140 | 200 | 164 | 460 | 180 | 200 | 715 | 355 | 92 | 640 | 250 | 255 | 240 | 200 | 8-18 | 250 | 210 | 8-18 | 40 |
150 | 6 | 140 | 210 | 175 | 555 | 270 | 280 | 800 | 355 | 92 | 705 | 300 | 315 | 265 | 225 | 8-18 | 285 | 240 | 8-22 | 47 |
200 | 8 | 152 | 230 | 200 | 760 | 400 | 425 | 850 | 250 | 170 | 775 | 300 | 315 | 320 | 280 | 8-18 | 340 | 295 | 8-22 | 60 |
250 | 10 | 165 | 250 | 243 | 830 | 400 | 425 | 925 | 250 | 170 | 945 | 300 | 315 | 375 | 335 | 12-18 | 365 | 350 | 12-22 | 95 |
300 | 12 | 178 | 270 | 250 | 895 | 450 | 560 | 1035 | 450 | 220 | 1070 | 300 | 315 | 440 | 395 | 12-22 | 445 | 400 | 12-22 | 124 |
350 | 14 | 190 | 290 | 280 | 950 | 450 | 560 | 1070 | 450 | 220 | 1140 | 300 | 315 | 490 | 445 | 12-22 | 505 | 460 | 16-22 | 181 |
400 | 16 | 216 | 310 | 305 | 1190 | 535 | 580 | 1190 | 450 | 220 | 1210 | 300 | 315 | 540 | 495 | 16-22 | 565 | 515 | 16-22 | 260 |
450 | 18 | 222 | 330 | 350 | 1255 | 535 | 580 | 1250 | 650 | 280 | 1335 | 575 | 714 | 595 | 550 | 16-22 | 615 | 565 | 16-26 | 338 |
500 | 20 | 229 | 350 | 380 | 1305 | 535 | 580 | 1290 | 650 | 280 | 1415 | 575 | 714 | 645 | 600 | 20-22 | 670 | 620 | 20-26 | 360 |
600 | 24 | 267 | 390 | 445 | 1340 | 570 | 660 | 1455 | 850 | 380 | 1605 | 656 | 810 | 755 | 705 | 20-26 | 780 | 725 | 20-26 | 540 |
700 | 28 | 292 | 430 | 480 | 1520 | 750 | 550 | 1585 | 850 | 380 | 1844 | 656 | 810 | 860 | 810 | 24-26 | 895 | 840 | 20-30 | 580 |
800 | 32 | 318 | 470 | 530 | 1710 | 750 | 550 | 1700 | 1250 | 380 | 2040 | 656 | 810 | 975 | 920 | 24-30 | 1015 | 950 | 24-30 | 845 |
900 | 36 | 330 | 510 | 580 | 1810 | 750 | 550 | 1965 | 1250 | 380 | 2255 | 785 | 863 | 1075 | 1020 | 24-30 | 1115 | 1050 | 24-33 | 1050 |
1000 | 40 | 410 | 550 | 650 | 1960 | 900 | 750 | 2015 | 1250 | 380 | 2380 | 785 | 863 | 1175 | 1120 | 28-30 | 1230 | 1160 | 28-33 | 1500 |
1200 | 48 | 470 | 630 | 760 | 2250 | 1000 | 925 | 2250 | 1250 | 380 | 2640 | 785 | 863 | 1405 | 1340 | 32-33 | 1455 | 1380 | 28-36 | 2000 |
1400 | 56 | 530 | 710 | 850 | 2435 | 1000 | 925 | 2886 | 1630 | 1560 | 36-36 | 1675 | 1590 | 32-39 | 3000 | |||||
1600 | 64 | 600 | 790 | 1030 | 2780 | 1000 | 925 | 3156 | 1830 | 1760 | 40-36 | 1915 | 1820 | 36-42 | 4700 | |||||
1800 | 72 | 670 | 870 | 1230 | 3020 | 1100 | 980 | 3421 | 2045 | 1970 | 44-39 | 2115 | 2020 | 40-48 | 6500 | |||||
2000 | 80 | 760 | 950 | 1350 | 3270 | 1100 | 980 | 3685 | 2265 | 2180 | 48-42 | 2325 | 2230 | 44-48 | 8700 | |||||
bd343h insulation butterfly valve main dimensions
dn (mm) | structure length (standard value) | dimensions (reference value) | connection size (standard value) | 48-48 reference weight d1341h (kg) | ||||||||||||||||
l | h | bdd343h | bdd643h | bdd943h | pn0.6mpa | pn1.6mpa | ||||||||||||||
mm | inch | brief | long | h1 | a1 | b1 | h2 | a2 | b2 | h3 | a3 | b3 | d | d1 | zd | d | d1 | zd | ||
50 | 2 | 108 | 150 | 112 | 350 | 180 | 200 | 625 | 245 | 72 | 530 | 250 | 255 | 165 | 125 | 4-14 | 165 | 125 | 4-18 | 19 |
65 | 2 1/2 | 112 | 170 | 115 | 370 | 180 | 200 | 625 | 245 | 72 | 530 | 250 | 255 | 185 | 145 | 4-14 | 185 | 145 | 8-18 | 22 |
80 | 3 | 114 | 180 | 120 | 380 | 180 | 200 | 645 | 245 | 72 | 565 | 250 | 255 | 200 | 160 | 4-18 | 200 | 160 | 8-18 | 25 |
100 | 4 | 127 | 190 | 138 | 420 | 180 | 200 | 675 | 355 | 92 | 600 | 250 | 255 | 220 | 180 | 4-18 | 235 | 190 | 8-22 | 28 |
125 | 5 | 140 | 200 | 164 | 460 | 180 | 200 | 715 | 355 | 92 | 640 | 250 | 255 | 250 | 210 | 8-18 | 270 | 220 | 8-26 | 43 |
150 | 6 | 140 | 210 | 175 | 555 | 270 | 280 | 800 | 355 | 92 | 705 | 300 | 315 | 285 | 240 | 8-18 | 300 | 250 | 8-26 | 50 |
200 | 8 | 152 | 230 | 200 | 760 | 400 | 425 | 850 | 250 | 170 | 775 | 300 | 315 | 340 | 295 | 8-18 | 360 | 310 | 12-26 | 64 |
250 | 10 | 165 | 250 | 243 | 830 | 400 | 425 | 925 | 170 | 945 | 300 | 315 | 405 | 355 | 12-18 | 425 | 370 | 12-30 | 99 | |
300 | 12 | 178 | 270 | 250 | 895 | 450 | 560 | 1035 | 450 | 220 | 1070 | 300 | 315 | 460 | 410 | 12-22 | 485 | 430 | 16-30 | 130 |
350 | 14 | 190 | 290 | 280 | 950 | 450 | 560 | 1070 | 450 | 220 | 1140 | 300 | 315 | 520 | 470 | 12-22 | 555 | 490 | 16-33 | 188 |
400 | 16 | 216 | 310 | 305 | 1190 | 535 | 580 | 1190 | 450 | 220 | 1210 | 300 | 315 | 580 | 525 | 16-22 | 620 | 550 | 16-36 | 270 |
450 | 18 | 222 | 330 | 350 | 1255 | 535 | 580 | 1250 | 650 | 280 | 1335 | 575 | 714 | 640 | 585 | 16-22 | 670 | 600 | 20-36 | 350 |
500 | 20 | 229 | 350 | 380 | 1305 | 535 | 580 | 1290 | 650 | 280 | 1415 | 575 | 714 | 715 | 650 | 20-22 | 730 | 660 | 20-36 | 375 |
600 | 24 | 267 | 390 | 445 | 1340 | 570 | 660 | 1455 | 850 | 380 | 1605 | 656 | 810 | 840 | 770 | 20-26 | 845 | 770 | 20-39 | 560 |
700 | 28 | 292 | 430 | 480 | 1520 | 750 | 550 | 1585 | 850 | 380 | 1844 | 656 | 810 | 910 | 840 | 24-26 | 960 | 875 | 24-42 | 610 |
800 | 32 | 318 | 470 | 530 | 1710 | 750 | 550 | 1700 | 1250 | 380 | 2040 | 656 | 810 | 1025 | 950 | 24-30 | 1085 | 990 | 24-48 | 880 |
900 | 36 | 330 | 510 | 580 | 1810 | 750 | 550 | 1965 | 1250 | 380 | 2255 | 785 | 863 | 1125 | 1050 | 24-30 | 1185 | 1090 | 28-48 | 1100 |
1000 | 40 | 410 | 550 | 650 | 1960 | 900 | 750 | 2015 | 1250 | 380 | 2380 | 785 | 863 | 1255 | 1170 | 28-30 | 1320 | 1210 | 28-56 | 1600 |
1200 | 48 | 470 | 630 | 760 | 2250 | 1000 | 925 | 2250 | 1250 | 380 | 2640 | 785 | 863 | 1485 | 1390 | 32-33 | 1530 | 1420 | 32-56 | 2150 |
1400 | 56 | 530 | 710 | 850 | 2435 | 1000 | 925 | 2886 | 1685 | 1590 | 36-36 | 1755 | 1640 | 36-62 | 3200 | |||||
1600 | 64 | 600 | 790 | 1030 | 2780 | 1000 | 925 | 3156 | 1930 | 1820 | 40-36 | 1975 | 1830 | 40-62 | 5000 | |||||
1800 | 72 | 670 | 870 | 1230 | 3020 | 1100 | 980 | 3421 | 2130 | 2020 | 44-39 | 2195 | 2070 | 44-70 | 6800 | |||||
2000 | 80 | 760 | 950 | 1350 | 3270 | 1100 | 980 | 3685 | 2345 | 2230 | 48-42 | 2425 | 2300 | 48-70 | 9100 | |||||
※ note: dd- stands for multi-level seal structure
bd343h insulation butterfly valve
dn (mm) | structure length (standard value) | dimensions (reference value) | connection size (standard value) | |||||||||||||
l | h | dbd373h | dbd673h | bdd973h | pn4.0mpa | |||||||||||
mm | inch | short brief | long long | h1 | a1 | b1 | h2 | a2 | b2 | h3 | a3 | b3 | d | d1 | zd | |
50 | 2 | 108 | 150 | 112 | 350 | 180 | 200 | 625 | 250 | 170 | 530 | 250 | 255 | 165 | 125 | 4-14 |
65 | 2 1/2 | 112 | 170 | 115 | 370 | 180 | 200 | 625 | 250 | 170 | 530 | 250 | 255 | 185 | 145 | 8-18 |
80 | 3 | 114 | 180 | 120 | 380 | 180 | 200 | 645 | 250 | 170 | 565 | 250 | 255 | 200 | 160 | 8-18 |
100 | 4 | 127 | 190 | 138 | 420 | 180 | 200 | 675 | 250 | 170 | 600 | 250 | 255 | 235 | 190 | 8-22 |
125 | 5 | 140 | 200 | 164 | 460 | 180 | 200 | 715 | 450 | 220 | 640 | 250 | 255 | 270 | 220 | 8-26 |
150 | 6 | 140 | 210 | 175 | 555 | 270 | 280 | 800 | 450 | 220 | 705 | 300 | 315 | 300 | 250 | 8-26 |
200 | 8 | 152 | 230 | 200 | 760 | 400 | 425 | 850 | 450 | 220 | 775 | 300 | 315 | 375 | 320 | 12-30 |
250 | 10 | 165 | 250 | 243 | 930 | 400 | 425 | 925 | 450 | 280 | 945 | 300 | 315 | 450 | 385 | 12-33 |
300 | 12 | 178 | 270 | 250 | 895 | 450 | 560 | 1035 | 650 | 280 | 1070 | 300 | 315 | 515 | 450 | 16-33 |
350 | 14 | 190 | 290 | 280 | 950 | 450 | 560 | 1070 | 650 | 280 | 1140 | 300 | 315 | 580 | 510 | 16-36 |
400 | 16 | 216 | 310 | 305 | 1190 | 535 | 580 | 1190 | 650 | 280 | 1210 | 300 | 315 | 660 | 585 | 16-39 |
450 | 18 | 222 | 330 | 350 | 1255 | 535 | 580 | 1335 | 575 | 714 | 685 | 610 | 20-39 | |||
500 | 20 | 229 | 350 | 380 | 1305 | 535 | 580 | 1415 | 575 | 714 | 755 | 670 | 20-42 | |||
※ note: flange standard: gb / t9113.1-2000 gb / t9113.2-2000 gb / t911.5.1-2000 gb / t9115.2-2000 note: the table h1, h2, h3 size can be based on user needs longer (pole butterfly valve), the product generally press a short series, if you need to order a long series or special materials.