h41w/h stainless steel lift check valve product overview
h41w/h stainless steel lift check valve produced and sold by woci valve group for medium and small diameter pipeline pressure, temperature and medium control connected to or cut off the pipeline medium opening and closing device; rely on valve flap weight and fluid pressure automatically stop fluid backflow .
h41w/h stainless steel lift check valve features
1, when the medium flows into the valve body by the arrow of the body, the pressure of the medium acts on the valve flap to generate an upward thrust force, and when the medium thrust force is greater than the gravity of the valve flap, the valve is opened. when the valve medium pressure on the role of the valve with the force of the valve itself is greater than the pressure before the valve pressure on the role of the valve, the valve closed to prevent the media back. 2, lifting check valve has the advantages of simple structure, reliable operation, easy maintenance, widely used in purification equipment, petroleum, chemical, metallurgy, electric power, textile and other production processes.
h41w/h stainless steel lift check valve performance specifications
| body material | nominal pressure (mpa) | working temperature (℃) | suitable media | |
| carbon steel | 1.6-6.4 | ≤425 | water, oil, steam | |
| 10.0,16.0 | ≤450 | / | ||
| stainless steel | p | 1.6-16.0 | ≤200 | nitric acids |
| r | / | / | acetic acid | |
| chrome nickel-titanium heat-resistant steel | pi | 1.6-6.4 | ≤550 | oil, petroleum products |
| chrome-molybdenum steel | 1.6-16.0 | ≤550 | oil | |
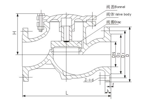
h41w/h stainless steel lift check valve main dimensions

| nominal pressure pn | nominal diameter dn | the main connection size | overall dimensions | ||||||||
| l | d | d 1 | d 2 | d 6 | b | f | f 1 | z-φd | h | ||
| 1.6mpa | 40 | 200 | 145 | 110 | 85 | - | 16 | 2 | - | 4-18 | 95 |
| 50 | 230 | 160 | 125 | 100 | - | 16 | 2 | - | 4-18 | 105 | |
| 65 | 290 | 180 | 140 | 120 | - | 18 | 2 | - | 4-18 | 120 | |
| 80 | 310 | 195 | 165 | 135 | - | 20 | 3 | - | 8-18 | 130 | |
| 100 | 350 | 215 | 180 | 155 | - | 20 | 3 | - | 8-18 | 140 | |
| 125 | 400 | 245 | 210 | 185 | - | 22 | 3 | - | 8-12 | 155 | |
| 150 | 480 | 280 | 240 | 210 | - | 24 | 3 | - | 8-23 | 180 | |
| 200 | 600 | 335 | 295 | 265 | - | 26 | 3 | - | 12-23 | 215 | |