kf941x electric open gate valve structural features and uses
kf941x electric open gate valve produced and sold by woci valve group is open design structure, with light weight, easy to maintain (seal ring replacement, electric device maintenance inspection, replacement, local maintenance of the valve are external, does not affect the normal operation of the valve), the valve movement process , intuitive switch state, after opening and closing inspection completed state is very convenient, with closed irreplaceable advantages, the disadvantage is that when opening and closing a small amount of gas leakage. the valve is designed to absorb the foreign board valve floating valve plate advanced technology; compacting gear with gear ring, gear, trapezoidal thread, screw synchronization two-way compression. the advantages of synchronous compression of the left and right screw thread trapezoidal thread screws are: small starting torque, good self-locking of the screw thread, reliable movement of the valve seal with a pin gear transmission mechanism, which is hard to fouling and meets dusty conditions with poor lubrication conditions, work environment harsh occasions use.
the valve can be configured on the ground explosion-proof control cabinet, the implementation of on-site control and remote connection with the plc system control, design distance of 10 meters.
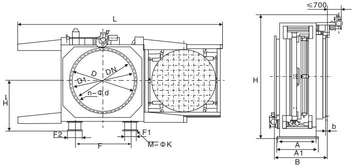
kf941x electric open gate valve main dimensions

| dn | d | d1 | b | b | nd | h | h1 | l | a | a1 | f | f1 | f2 | mk | electric power (kw) | quality (kg) | ||||
| go board | plywood | pn0.05 | pn0.10 | pn0.15 | pn0.25 | |||||||||||||||
| 400 | 540 | 495 | 600 | 18 | 16-22 | 1300 | 350 | 2210 | 600 | 680 | 500 | 160 | 220 | 4-23 | 1.1 | 1.5 | 880 | 960 | ||
| 450 | 595 | 550 | 600 | 18 | 16-22 | 1520 | 400 | 2400 | 600 | 680 | 500 | 160 | 220 | 4-23 | 1.1 | 1.5 | 980 | 1060 | ||
| 500 | 645 | 600 | 600 | 18 | 20-26 | 1600 | 450 | 2540 | 600 | 680 | 500 | 160 | 220 | 4-23 | 1.1 | 1.5 | 1050 | 1180 | ||
| 600 | 755 | 705 | 800 | 24 | 24-26 | 1750 | 500 | 2720 | 600 | 680 | 900 | 280 | 340 | 8-23 | 1.1 | 1.5 | 1150 | 1280 | ||
| 700 | 860 | 810 | 800 | 24 | 24-30 | 1884 | 720 | 2815 | 600 | 680 | 950 | 280 | 340 | 8-23 | 1.1 | 1.5 | 1210 | 1320 | ||
| 800 | 975 | 920 | 800 | 24 | 24-30 | 1970 | 800 | 3115 | 600 | 680 | 1045 | 280 | 340 | 8-23 | 1.5 | 1.5 | 1450 | 1600 | ||
| 900 | 1075 | 1020 | 800 | 24 | 24-30 | 2086 | 880 | 3640 | 600 | 680 | 1250 | 280 | 340 | 8-23 | 2.2 | 2.2 | 1840 | 2050 | ||
| 1000 | 1175 | 1120 | 800 | 24 | 28-30 | 2250 | 960 | 3940 | 820 | 910 | 1250 | 280 | 340 | 8-23 | 2.2 | 2.2 | 2180 | 2450 | ||
| 1200 | 1375 | 1320 | 1200 | 26 | 32-30 | 2837 | 1165 | 5930 | 1100 | 1180 | 1060 | 480 | 560 | 8-33 | 1.1 | 2.2 | 2600 | 2800 | ||
| 1400 | 1575 | 1520 | 1200 | 26 | 36-30 | 3057 | 1285 | 6530 | 1100 | 1220 | 1400 | 480 | 560 | 8-33 | 1.1 | 1.5 | 3250 | 3550 | ||
| 1600 | 1790 | 1730 | 1200 | 32 | 40-30 | 3257 | 1385 | 7130 | 1100 | 1180 | 1560 | 480 | 560 | 8-33 | 1.5 | 1.5 | 4350 | 4750 | ||
| 1800 | 1990 | 1930 | 1400 | 32 | 44-30 | 3400 | 1428 | 7730 | 1100 | 1180 | 1750 | 230 | 560 | 8-33 | 2.2 | 2.2 | 5100 | 5600 | ||
| 2000 | 2190 | 2130 | 1400 | 32 | 48-30 | 4010 | 1850 | 8400 | 1200 | 1280 | 1800 | 230 | 560 | 8-33 | 2.2 | 2.2 | 5760 | 6250 | ||
| 2200 | 2405 | 2340 | 1600 | 32 | 52-30 | 4110 | 1950 | 9050 | 1200 | 1280 | 1900 | 230 | 560 | 8-33 | 2.2 | 2.2 | 7050 | 7750 | ||
| 2400 | 2605 | 2540 | 1600 | 32 | 56-33 | 4365 | 2050 | 9600 | 1200 | 1280 | 2360 | 230 | 560 | 8-33 | 2.2 | 2.2 | 8250 | 9050 | ||
| 2600 | 2805 | 2740 | 1800 | 34 | 60-33 | 4375 | 2141 | 8567 | 1340 | 1410 | 2332 | 300 | 600 | 8-36 | 2.2 | 2.2 | 9700 | 10500 | ||
| 2800 | 2960 | 3030 | 1800 | 36 | 64-36 | 4554 | 2280 | 8925 | 1340 | 1410 | 2532 | 300 | 600 | 8-36 | 2.2 | 2.2 | 12000 | 13200 | ||